NTN UELFL204-012D1軸承技術規格
| 類型 | 雙螺栓菱形法蘭式軸承座單元 | 
| 軸承類型 | 滾珠軸承 | 
| 鎖緊裝置 | 偏心鎖緊套 | 
| 密封型式 | 接觸式 | 
| 密封圈材質 | 丁腈橡膠 | 
| 軸承型號 | UEL204-012D1 | 
| 軸承座型號 | FL204D1 | 
| 殼體材質 | 鑄鐵 | 
| 殼體鑄造型式 | 一體成型 | 
| 端蓋類型 | 開式 | 
| 性能 | 輕型 | 
| 基本額定動載荷 | 2880 lbf 12800 N 12.80 kN | 
| 基本額定靜載荷 | 1500 lbf 6650 N 6.65 kN | 
| 極限轉速 | 6700轉/分鐘 | 
| 重量 | 1.300 lb 0.590 kg | 
| 應用溫度范圍 | -40 to 250 oF -40 to 120 oC | 
| 潤滑方式 | 可再潤滑 | 
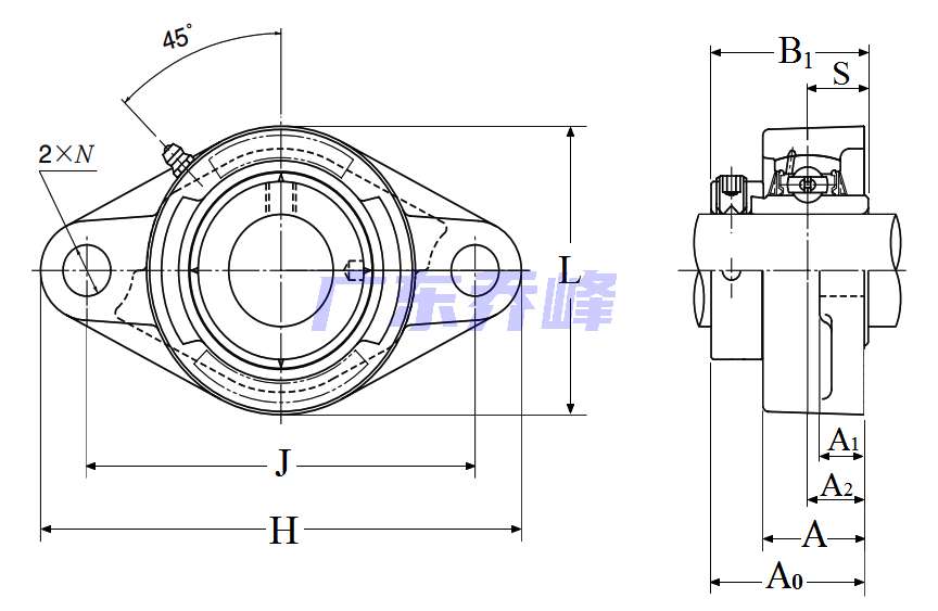
NTN UELFL204-012D1軸承尺寸規格
| 雙螺栓菱形法蘭式軸承座單元,鑄造外殼,帶偏心鎖緊套,UELFL型 - 尺寸 | |
| d | 0.7500 in 19.050 mm | 
| H | 4.4375 in 113.0 mm | 
| L | 2.3750 in 60.0 mm | 
| J | 3.5469 in 90.0 mm | 
| A | 1.0000 in 25.5 mm | 
| A1 | 0.4375 in 11.0 mm | 
| A2 | 0.5937 in 15.0 mm | 
| N | 0.4687 in 12.0 mm | 
| B1 | 1.7205 in 43.700 mm | 
| S | 0.6732 in 17.100 mm | 
| F | 0.1850 in 4.700 mm | 
NTN UELFL204-012D1軸承尺寸圖
 
                        					NTN UELFL204-012D1軸承同尺寸型號
| UELFL204-012D1 | 詳細尺寸,d:19.050mm,h:113.00000mm,b:25.500mm,j:90.000mm,r:60.000mm | 
| AELFL204-012D1 | 詳細尺寸,d:19.050mm,h:113.00000mm,b:25.500mm,j:90.000mm,r:60.000mm | 
| UCFL204-012D1 | 詳細尺寸,d:19.050mm,h:113.00000mm,b:25.500mm,j:90.000mm,r:60.000mm | 
| 共計找到3條記錄 | |
NTN UELFL204-012D1軸承相關配件/適用型號
| UEL204-012D1 | 詳細尺寸,d:19.050mm,dD:47.000mm,c:17.000mm,b:43.700mm,r:1.000mm | 
NTN軸承推薦
| NTN FLW686Z軸承 | 描述:軸承型號:FLW686Z,單列深溝球軸承帶法蘭外圈 - 單面防塵蓋 | 
| NTN 6011LLBNRC3軸承 | 描述:軸承型號:6011LLBNRC3,單列深溝球軸承 - 雙面密封(非接觸式橡膠密封)帶止動環 | 
| NTN 7004HVUJ74軸承 | 描述:軸承型號:7004HVUJ74,單列角接觸球軸承,高精度 | 
| NTN BST50X100-1BDBTT軸承 | 描述:軸承型號:BST50X100-1BDBTT,滾珠絲杠用四列角接觸推力球軸承 - DBTT配對,開式,三排承受軸向載荷 | 
| NTN BST55X100-1BDBTT軸承 | 描述:軸承型號:BST55X100-1BDBTT,滾珠絲杠用四列角接觸推力球軸承 - DBTT配對,開式,三排承受軸向載荷 | 
| NTN A-UC211-200MFG1軸承 | 描述:軸承型號:A-UC211-200MFG1,帶緊定螺釘的外球面軸承,寬外圈 - 球面外圈 | 
| NTN LM451349A軸承 | 描述:軸承型號:LM451349A,圓錐滾子軸承內圈 - 英制系列和J系列 | 
| NTN L467510軸承 | 描述:軸承型號:L467510,圓錐滾子軸承外圈 - 英制系列和J系列 | 
| NTN NU312ET2XC3軸承 | 描述:軸承型號:NU312ET2XC3,圓柱滾子軸承 -可分離型,普通內圈,外圈帶兩個加強筋 - NU型 | 
| NTN MA1305EV軸承 | 描述:軸承型號:MA1305EV,圓柱滾子軸承 -可分離型,普通內圈,外圈帶兩個加強筋 | 
進口軸承推薦
| FAG 686-2Z-P5-HLC軸承 | 描述:0.0024 kg, | 
| SKF 6200-2RS1/W64軸承 | 描述:0.032 kg,單列深溝球軸承 | 
| NTN 6207LLU CM軸承 | 描述:0.294 kg,單列深溝球軸承 | 
| SKF 6006-2RS1/JEM軸承 | 描述:0.118 kg,單列深溝球軸承 | 
| KOYO 22319RFYC3軸承 | 描述:8.2 kg,調心滾子軸承 | 
MCGILL軸承推薦
| MCGILL CFD2軸承 | 基本尺寸,內徑:0.00000mm,外徑:2.00000mm,厚度:1.25000mm。 | 
| MCGILL CYRD2-3/4軸承 | 基本尺寸,內徑:0.75000mm,外徑:2.75000mm,厚度:1.50000mm。 | 
| MCGILL CCFD1-1/4軸承 | 基本尺寸,內徑:0.00000mm,外徑:1.25000mm,厚度:0.75000mm。 | 
| MCGILL GR40SS+MI31軸承 | 基本尺寸,內徑:2.50000mm,外徑:3.25000mm,厚度:1.75000mm。 | 
| MCGILL ROLLWAY-E5314U軸承 | 基本尺寸,內徑:70.00000mm,外徑:150.00000mm,厚度:63.50000mm。 | 

 
	
 
                     
                     
 