NTN CR20XH軸承技術規格
| 類型 | 凸輪從動軸承 | 
| 材質 | 淬透鋼 | 
| 螺紋類型 | 英制 | 
| 保持架材質 | 穿孔鋼板 | 
| 極限轉速-油潤滑 | 13000轉/分鐘 | 
| 極限轉速-脂潤滑 | 9000轉/分鐘 | 
| 滾子型式 | 圓柱型 | 
| 軸承類型 | 滾針軸承 | 
| 外圈類型 | 圓柱型 | 
| 附件 | 開式 | 
| 驅動裝置型式 | 六角頭 | 
| 結構 | 單列 | 
| 扭矩 | 5.5 lb ·ft24 N ·m | 
| 基本額定靜載荷 | 261 lbf 1160 N | 
| 基本額定動載荷 | 2560 lbf 11400 N | 
| 重量 | 0.331 lb 0.150 kg | 
| 應用溫度范圍 | -40 to 250 oF -40 to 120 oC | 
NTN CR20XH軸承尺寸規格
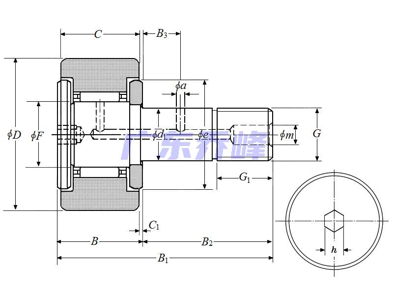
| 凸輪從動螺柱式滾輪軸承 - 圓柱外徑,CR..H型 - 尺寸 | |
| G | 1/2-20UNF | 
| B1 | 2.0630 in 52.400 mm | 
| B2 | 1.2520 in 31.800 mm | 
| D | 1.2500 in 31.750 mm | 
| D公差 | 0/-0.0020 in 0/-0.050 mm | 
| B | 0.8110 in 20.600 mm | 
| C | 0.7500 in 19.050 mm | 
| C公差 | 0/-0.0051 in 0/-0.130 mm | 
| d1 | 0.5000 in 12.700 mm | 
| d1公差 | 0.0010/0 in 0.025/0 mm | 
| G1 | 0.6260 in 15.900 mm | 
| e | 0.9843 in 25.000 mm | 
| B3 | 0.3126 in 7.940 mm | 
| a | 0.1181 in 3.000 mm | 
| F | 0.6299 in 16.000 mm | 
| C1 | 0.0315 in 0.800 mm | 
| h | 0.2500 in 6.350 mm | 
| m | 0.2362 in 6.000 mm | 
| 注油嘴尺寸 | NIP-B6 | 
NTN CR20XH軸承尺寸圖
 
                        					NTN軸承推薦
| NTN 6907ZZNR軸承 | 描述:軸承型號:6907ZZNR,單列深溝球軸承 - 雙面防塵蓋帶止動環 | 
| NTN 6009LBNR軸承 | 描述:軸承型號:6009LBNR,單列深溝球軸承 - 單面密封(非接觸式橡膠密封)帶止動環 | 
| NTN 6212LLUNC3軸承 | 描述:軸承型號:6212LLUNC3,單列深溝球軸承 - 雙面密封(接觸式橡膠密封),帶止動環槽 | 
| NTN AC-6004ZZC3軸承 | 描述:軸承型號:AC-6004ZZC3,AC軸承 - 雙面防塵蓋 | 
| NTN SES212-39軸承 | 描述:軸承型號:SES212-39,帶偏心鎖緊套的外球面軸承,狹窄內圈 - 球面外圈 | 
| NTN AELS206-104N軸承 | 描述:軸承型號:AELS206-104N,帶偏心鎖緊套的外球面軸承,狹窄內圈 - 圓柱內徑,帶止動環槽 | 
| NTN DS209TTR15軸承 | 描述:軸承型號:DS209TTR15,重型盤式軸承 - 方孔,球面外圈,2型 | 
| NTN DC211TTR3E軸承 | 描述:軸承型號:DC211TTR3E,重型盤式軸承 - 方孔,圓柱內徑,6系列 | 
| NTN NJ2332E軸承 | 描述:軸承型號:NJ2332E,圓柱滾子軸承 -可分離型內圈帶一個加強筋,外圈帶兩個加強筋 | 
| NTN RNA49/32R軸承 | 描述:軸承型號:RNA49/32R,機加工滾針軸承不帶內圈 - RNA49.R,RNA59,RNA69.R,NK.R,MR系列 | 
進口軸承推薦
| FAG 6004ZR.THB.P53軸承 | 描述:0.07 kg,單列深溝球軸承 | 
| FAG 6205-B-NR軸承 | 描述:0.125 kg,單列深溝球軸承 | 
| NSK 22310CAME4C3軸承 | 描述:1.82 kg,調心滾子軸承 | 
| FAG 24056-BE-XL-C4軸承 | 描述:68 kg,調心滾子軸承(X-life品質) | 
| NSK 22318EAKE4軸承 | 描述:7.9 kg,調心滾子軸承 | 
MCGILL軸承推薦
| MCGILL MR24SS+MI19軸承 | 基本尺寸,內徑:1.50000mm,外徑:2.06250mm,厚度:1.25000mm。 | 
| MCGILL PCF5軸承 | 基本尺寸,內徑:0.00000mm,外徑:4.50000mm,厚度:2.00000mm。 | 
| MCGILL GR124+MI104軸承 | 基本尺寸,內徑:7.75000mm,外徑:9.62500mm,厚度:3.00000mm。 | 
| MCGILL SB22208KW33SS軸承 | 基本尺寸,內徑:40.00000mm,外徑:80.00000mm,厚度:23.00000mm。 | 
| MCGILL MCF22ASB軸承 | 基本尺寸,內徑:0.00000mm,外徑:22.00000mm,厚度:12.00000mm。 | 

 
	
 
                     
                     
 