IKO NTB3552軸承代號說明
N
                                                T
                                                B
                                            3
                                                5
                                            5
                                                2
                                            NTB:推力滾針與保持架組件
                                
                35:內徑代號,內徑:35mm
                                
                52:外徑代號,外徑:52mm
                                NTB:
推力滾針與保持架組件
                    35:
內徑代號,內徑:35mm
                    52:
外徑代號,外徑:52mm
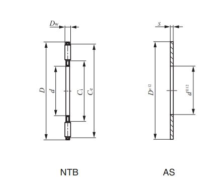
                    IKO NTB3552軸承尺寸、參數與圖紙
| 基本尺寸 (mm) | |
| 軸徑 d | 35 | 
| 內徑 d | 35 | 
| 外徑 D | 52 | 
| 厚度 Dw | 2 | 
| s | 1 | 
| B | 3.5 | 
| 標準安裝尺寸 (mm) | |
| rs min | 0.6 | 
| Ci | 39 | 
| Ce | 50 | 
| 重量(g) | |
| 推力軸承重量 | 10.6 | 
| 推力墊圈重量 | 8.9 | 
| 內圈和外圈重量 | 31.5 | 
| 載荷(N) | |
| 動態基本額定載荷 | 81900 | 
| 其他參數 | |
| 極限轉速 /min | 5500 | 
| 相關軸承型號 | |
| 推力墊圈型號 | AS3552 | 
| 內圈型號 | WS3552 | 
| 外圈型號 | GS3552 | 
| 其他品牌替代型號(為基本代號,僅供參考,詳細請咨詢客服) | |
| NTN | AXK113552 | 
| INA/SKF | AXK3552 | 
| TORRINGTON/NSK | FNTA3552 | 
| KOYO | TPK3552 | 
IKO NTB3552軸承相關產品推薦
| 其他型號 | 市場價 | 喬峰價 | 庫存 | 
| IKO =AXK3552=AXK1007軸承 | ¥19.67元 | - | 2 | 
 
                      	                      	 
                      						IKO軸承推薦
| IKO NAF173013軸承 | 基本尺寸,內徑:17.00000mm,外徑:30.00000mm,厚度:13.00000mm。 | 
| IKO BA2220ZOH軸承 | 基本尺寸,內徑:34.92500mm,外徑:41.27500mm,厚度:31.75000mm。 | 
| IKO BA1320ZOH軸承 | 基本尺寸,內徑:20.63800mm,外徑:26.98800mm,厚度:31.75000mm。 | 
| IKO BHAM208軸承 | 基本尺寸,內徑:31.75000mm,外徑:41.27500mm,厚度:12.70000mm。 | 
| IKO RNA4922UU軸承 | 基本尺寸,內徑:125.00000mm,外徑:150.00000mm,厚度:40.00000mm。 | 
TIMKEN軸承推薦
| TIMKEN LM446349/LM446310D軸承 | TIMKEN LM446349/LM446310D軸承,市場價:¥11458.34元,當前庫存6套,添加時間:2023-09-15 19:24:40 | 
| TIMKEN 30315-90KA2軸承 | TIMKEN 30315-90KA2軸承,市場價:¥289.01元,當前庫存360套,添加時間:2023-09-08 14:27:12 | 
| TIMKEN LM451349/LM451310CD軸承 | TIMKEN LM451349/LM451310CD軸承,市場價:¥17083.42元,當前庫存1套,添加時間:2023-09-09 17:54:30 | 
| TIMKEN H715347-70000軸承 | TIMKEN H715347-70000軸承,市場價:¥1208.87元,當前庫存5套,添加時間:2023-09-12 16:19:16 | 
| TIMKEN 94687/94117D軸承 | TIMKEN 94687/94117D軸承,市場價:¥21168.11元,當前庫存1套,添加時間:2023-09-15 17:16:48 | 
NSK軸承推薦
| NSK 7948A5TRSUMP3軸承 | NSK 7948A5TRSUMP3軸承,市場價:¥12835.59元,當前庫存1套,添加時間:2023-08-29 21:36:29 | 
| NSK 150BTR10STYNDBLP4A 6軸承 | NSK 150BTR10STYNDBLP4A 6軸承,市場價:¥5560.21元,當前庫存2套,添加時間:2023-08-30 21:09:51 | 
| NSK 7914A5SN24TYNDBP4Y01軸承 | NSK 7914A5SN24TYNDBP4Y01軸承,市場價:¥4200.00元,當前庫存1套,添加時間:2023-08-29 15:23:31 | 
| NSK NN3992KCC1P4軸承 | NSK NN3992KCC1P4軸承,市場價:¥20136.60元,當前庫存14套,添加時間:2023-08-30 17:05:29 | 
| NSK 15TAC47CSUHPN7C AS2S Q軸承 | NSK 15TAC47CSUHPN7C AS2S Q軸承,市場價:¥190.52元,當前庫存37套,添加時間:2023-08-31 10:58:53 | 

 
	
 
                     
                     
 