IKO CF-FU1-12軸承代號說明
C
                                                F
                                                -
                                            F
                                            U
                                                1
                                                -
                                            1
                                                2
                                            CF-:凸輪從動軸承(螺栓型滾輪軸承)
                                
                F:圓柱外圈
                                
                U1-:集中配管用凸輪從動軸承
                                
                12:螺柱直徑代號,參考螺柱直徑:12mm
                                CF-:
凸輪從動軸承(螺栓型滾輪軸承)
                    F:
圓柱外圈
                    U1-:
集中配管用凸輪從動軸承
                    12:
螺柱直徑代號,參考螺柱直徑:12mm
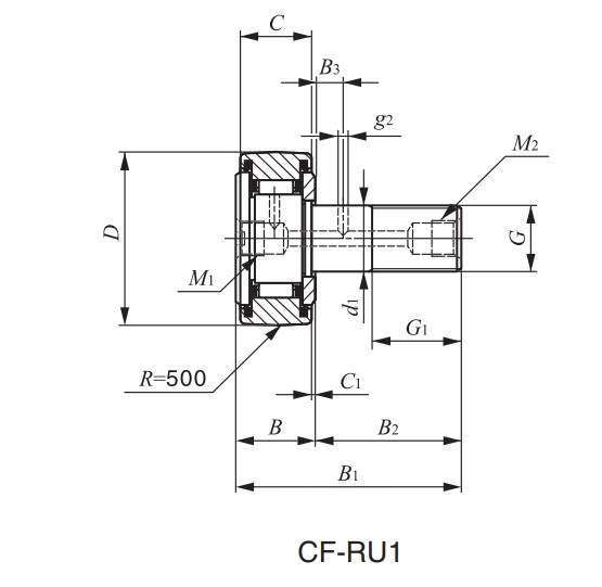
                    IKO CF-FU1-12軸承尺寸、參數與圖紙
| 基本尺寸 (mm) | |
| 螺柱直徑 de | 12 | 
| 外徑 D | 30 | 
| 厚度 C | 14 | 
| G | M12X1.5 | 
| G1 | 13 | 
| Bmax | 15.2 | 
| B1 max | 40.2 | 
| B2 | 25 | 
| B3 | - | 
| C1 | 0.6 | 
| g2 | - | 
| M1 | M6X0.75 | 
| M2 | - | 
| rs min | 0.6 | 
| 安裝尺寸 f | 21 | 
| 重量(g) | |
| 95 | |
| 載荷(N) | |
| 動態基本額定載荷 | 7910 | 
| 靜態基本額定載荷 | 9790 | 
| 最大允許靜載荷 | 9790 | 
| 其他參數 | |
| 極限擰緊力矩 N·m | 23.9 | 
 
                      	                      	 
                      						IKO軸承推薦
| IKO RNA4907UU軸承 | 基本尺寸,內徑:42.00000mm,外徑:55.00000mm,厚度:20.00000mm。 | 
| IKO CF30-1BUU軸承 | 基本尺寸,內徑:30.00000mm,外徑:85.00000mm,厚度:35.00000mm。 | 
| IKO TA2428Z軸承 | 基本尺寸,內徑:24.00000mm,外徑:31.00000mm,厚度:28.00000mm。 | 
| IKO TAM243220軸承 | 基本尺寸,內徑:24.00000mm,外徑:32.00000mm,厚度:20.00000mm。 | 
| IKO NAF507820軸承 | 基本尺寸,內徑:50.00000mm,外徑:78.00000mm,厚度:20.00000mm。 | 
TIMKEN軸承推薦
| TIMKEN 14123A/14299軸承 | TIMKEN 14123A/14299軸承,市場價:¥9689.88元,當前庫存2套,添加時間:2023-09-14 21:38:26 | 
| TIMKEN 4370/4328軸承 | TIMKEN 4370/4328軸承,市場價:¥476.28元,當前庫存22套,添加時間:2023-09-15 09:07:52 | 
| TIMKEN LM603049-99405軸承 | TIMKEN LM603049-99405軸承,市場價:¥118.91元,當前庫存77套,添加時間:2023-09-12 20:10:43 | 
| TIMKEN HJ-9612048軸承 | TIMKEN HJ-9612048軸承,市場價:¥4278.92元,當前庫存3套,添加時間:2023-09-03 15:15:36 | 
| TIMKEN HH221447-90022軸承 | TIMKEN HH221447-90022軸承,市場價:¥2633.51元,當前庫存10套,添加時間:2023-09-12 16:42:13 | 
NSK軸承推薦
| NSK 7034A5DBLP5軸承 | NSK 7034A5DBLP5軸承,市場價:¥4200.00元,當前庫存1套,添加時間:2023-08-29 21:29:36 | 
| NSK 7012CTRV1VSULP3軸承 | NSK 7012CTRV1VSULP3軸承,市場價:¥1759.45元,當前庫存4套,添加時間:2023-08-29 14:46:48 | 
| NSK WBK40DFD-31H H 5軸承 | NSK WBK40DFD-31H H 5軸承,市場價:¥3345.99元,當前庫存2套,添加時間:2023-08-31 15:36:42 | 
| NSK NN49/630MSK6E2CC1P4軸承 | NSK NN49/630MSK6E2CC1P4軸承,市場價:¥168000.00元,當前庫存1套,添加時間:2023-08-30 17:07:40 | 
| NSK 7007CTYNSULP5 Q軸承 | NSK 7007CTYNSULP5 Q軸承,市場價:¥151.68元,當前庫存100套,添加時間:2023-08-29 10:08:12 | 

 
	
 
                     
                     
  
 