NTN SUCP209軸承技術規格
| 類型 | 軸承座 | 
| 軸承類型 | 滾珠軸承 | 
| 鎖緊裝置 | 緊定螺釘 | 
| 密封型式 | 接觸式 | 
| 密封圈材質 | 硅膠 | 
| 軸承型號 | SUC209 | 
| 軸承座型號 | SP209 | 
| 嵌入材質 | 不銹鋼 | 
| 殼體材質 | 不銹鋼 | 
| 殼體鑄造型式 | 一體成型 | 
| 性能 | 正常 | 
| 端蓋類型 | 開式 | 
| 基本額定動載荷 | 5780 lbf 25700 N 25.70 kN | 
| 基本額定靜載荷 | 4680 lbf 20800 N 20.80 kN | 
| 極限轉速 | 3100轉/分鐘 | 
| 重量 | 6.310 lb 2.860 kg | 
| 應用溫度范圍 | -4 to 250 oF -20 to 120 oC | 
| 潤滑方式 | 可再潤滑 | 
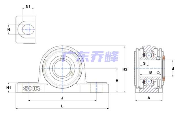
NTN SUCP209軸承尺寸規格
| 軸承座,不銹鋼外殼,帶緊定螺釘,SUCP型 - 尺寸 | |
| d | 1.7717 in 45.000 mm | 
| J | 5.7500 in 146.0 mm | 
| L | 7.4800 in 190.0 mm | 
| A | 2.1300 in 54.0 mm | 
| H | 2.1300 in 54.0 mm | 
| H1 | 0.7900 in 20.0 mm | 
| H2 | 4.2900 in 109.0 mm | 
| N | 0.6700 in 17.0 mm | 
| N1 | 0.9100 in 23.0 mm | 
| B | 1.9370 in 49.200 mm | 
| S | 0.7480 in 19.000 mm | 
NTN SUCP209軸承尺寸圖
 
                        					NTN SUCP209軸承同尺寸型號
| UCP209 | 詳細尺寸,d:45.000mm,h:54.00000mm,b:54.000mm,j:146.000mm,2b:106.000mm,r:190.000mm | 
| UCP209D1 | 詳細尺寸,d:45.000mm,h:54.00000mm,b:54.000mm,j:146.000mm,2b:106.000mm,r:190.000mm | 
| UCP209HT2D1 | 詳細尺寸,d:45.000mm,h:54.00000mm,b:54.000mm,j:146.000mm,2b:106.000mm,r:190.000mm | 
| SUCP209 | 詳細尺寸,d:45.000mm,h:54.00000mm,b:54.000mm,j:146.000mm,2b:109.000mm,r:190.000mm | 
| S-UCP209D1 | 詳細尺寸,d:45.000mm,h:54.00000mm,b:54.000mm,j:146.000mm,be:82.000mm,2b:106.000mm,r:190.000mm | 
| SM-UCP209D1 | 詳細尺寸,d:45.000mm,h:54.00000mm,b:54.000mm,j:146.000mm,be:82.000mm,2b:106.000mm,r:190.000mm | 
| UELP209D1 | 詳細尺寸,d:45.000mm,h:54.00000mm,b:54.000mm,j:146.000mm,2b:106.000mm,r:190.000mm | 
| 共計找到7條記錄 | |
NTN SUCP209軸承相關配件/適用型號
| SUC209 | 詳細尺寸,d:45.000mm,dD:85.000mm,c:22.000mm,b:49.200mm,r:1.000mm | 
NTN軸承推薦
| NTN 6900ZC3軸承 | 描述:軸承型號:6900ZC3,單列深溝球軸承 - 單面防塵蓋 | 
| NTN 6214LLBN軸承 | 描述:軸承型號:6214LLBN,單列深溝球軸承 - 雙面密封(非接觸式橡膠密封),帶止動環槽 | 
| NTN EC-6309軸承 | 描述:軸承型號:EC-6309,膨脹補償軸承 - 開式 | 
| NTN 7000軸承 | 描述:軸承型號:7000,單列角接觸球軸承 - 開式 | 
| NTN UELS209-111LD1N軸承 | 描述:軸承型號:UELS209-111LD1N,帶偏心鎖緊套的外球面軸承,寬外圈 - 圓柱內徑,帶止動環槽 | 
| NTN MU5207UX軸承 | 描述:軸承型號:MU5207UX,圓柱滾子軸承 - 不可分離型,內圈帶兩個加強筋,外圈帶一個加強筋,帶擋圈 | 
| NTN KRV16XLL軸承 | 描述:軸承型號:KRV16XLL,凸輪從動螺柱式滾輪軸承 - 圓柱內徑,KRV..LL型 | 
| NTN 81106T2軸承 | 描述:軸承型號:K81106T2,推力滾針和保持架組件 - K811,K812系列 | 
| NTN 23120EMD1C4軸承 | 描述:軸承型號:23120EMW33C4,調心滾子軸承 - 圓柱孔&注油槽,231系列 | 
| NTN 22318EAKD1C4軸承 | 描述:軸承型號:22318EAKW33C4,調心滾子軸承,帶圓錐孔&注油槽 | 
進口軸承推薦
| SKF 6026M/C3S0軸承 | 描述:3.7 kg,單列深溝球軸承 | 
| SNR 22210VK軸承 | 描述:0.579 kg,調心滾子軸承 | 
| SKF 6200-2ZNR軸承 | 描述:0.0342 kg,單列深溝球軸承 | 
| INA 61822-Y-E55軸承 | 描述:0.495 kg,單列深溝球軸承 | 
| NSK 6209NR軸承 | 描述:0.401 kg,單列深溝球軸承 | 
MCGILL軸承推薦
| MCGILL MR96+MI80軸承 | 基本尺寸,內徑:6.00000mm,外徑:7.50000mm,厚度:3.00000mm。 | 
| MCGILL CFH9/16SB軸承 | 基本尺寸,內徑:0.00000mm,外徑:14.29000mm,厚度:9.53000mm。 | 
| MCGILL BCCF2-3/4S軸承 | 基本尺寸,內徑:0.00000mm,外徑:69.85000mm,厚度:38.10000mm。 | 
| MCGILL GR10N+MI6N軸承 | 基本尺寸,內徑:0.62500mm,外徑:1.12500mm,厚度:0.75000mm。 | 
| MCGILL CFE1-5/8SB軸承 | 基本尺寸,內徑:0.00000mm,外徑:41.28000mm,厚度:22.23000mm。 | 

 
	
 
                     
                     
  
  
 