NTN NUKRU100軸承技術規格
| 類型 | 凸輪從動軸承 | 
| 材質 | 淬透鋼 | 
| 螺紋類型 | 公制 | 
| 保持架材質 | 無 | 
| 極限轉速-脂潤滑 | 2000轉/分鐘 | 
| 滾子型式 | 凸度滾子 | 
| 螺柱類型 | 偏心 | 
| 軸承類型 | 滾針軸承 | 
| 外圈類型 | 球面 | 
| 附件 | 防塵蓋 | 
| 驅動裝置型式 | 插入式 | 
| 結構 | 單列 | 
| 扭矩 | 630.0 N ·m | 
| 基本額定靜載荷 | 37500 lbf 167000 N | 
| 基本額定動載荷 | 26800 lbf 119000 N | 
| 軌道額定載荷 | 2920 lbf 13000 N | 
| 重量 | 6.790 lb 3.080 kg | 
| 應用溫度范圍 | -40 to 250 oF -40 to 120 oC | 
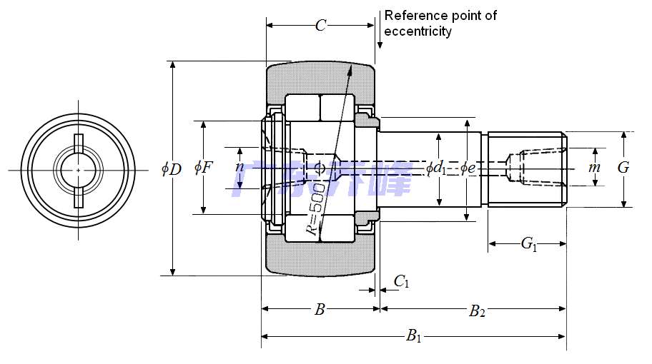
NTN NUKRU100軸承尺寸規格
| 凸輪從動螺柱式滾輪軸承 - 球面外圈,NUKRU型 - 尺寸 | |
| G | M36x1.5 | 
| B1 | 4.7244 in 120.000 mm | 
| B2 | 2.9134 in 74.000 mm | 
| D | 3.9370 in 100.000 mm | 
| D公差 | 0/-0.0020 in 0/-0.050 mm | 
| B | 1.8110 in 46.000 mm | 
| C | 1.6929 in 43.000 mm | 
| d1 | 1.4173 in 36.000 mm | 
| d1公差 | 0/-0.0010 in 0/-0.025 mm | 
| G1 | 1.4961 in 38.000 mm | 
| e | 2.0866 in 53.000 mm | 
| F | 1.9094 in 48.500 mm | 
| C1 | 0.0591 in 1.500 mm | 
| n | PT1/8 | 
| m | PT1/8 | 
| 注油嘴尺寸 | A-PT1/8 | 
NTN NUKRU100軸承尺寸圖
 
                        					NTN軸承推薦
| NTN WC87511軸承 | 描述:軸承型號:WC87511,單列深溝球軸承 - 單面防塵蓋&單面密封(接觸式橡膠密封),WC87000系列 | 
| NTN AC-6309軸承 | 描述:軸承型號:AC-6309,AC軸承 - 開式 | 
| NTN 7908CDTBT/G5P4軸承 | 描述:軸承型號:7908CDTBT/G5P4,多列角接觸球軸承 - 串聯配對 | 
| NTN 2879/2820軸承 | 描述:軸承型號:2879/2820,圓錐滾子軸承 - 英制系列和J系列 | 
| NTN JM511946/JM511910軸承 | 描述:軸承型號:JM511946/JM511910,圓錐滾子軸承 - 英制系列和J系列 | 
| NTN 88900/88128軸承 | 描述:軸承型號:88900/88128,圓錐滾子軸承 - 英制系列和J系列 | 
| NTN N411軸承 | 描述:軸承型號:N411,圓柱滾子軸承 -內圈帶兩個加強筋,可分離型,普通外圈 - N型 | 
| NTN NU311C3軸承 | 描述:軸承型號:NU311C3,圓柱滾子軸承 -可分離型,普通內圈,外圈帶兩個加強筋 - NU型 | 
| NTN KMJ12X16X11.3XS軸承 | 描述:軸承型號:KMJ12X16X11.3XS,滾針和保持架組件 | 
| NTN M1-081212軸承 | 描述:軸承型號:M1-081212,內圈 | 
進口軸承推薦
| SKF BB1B362740軸承 | 描述:0.28 kg,單列深溝球軸承 | 
| SKF 22219E軸承 | 描述:3.79 kg,調心滾子軸承 | 
| SKF 63001-2RS1/W64軸承 | 描述:0.029 kg,單列深溝球軸承 | 
| KOYO 24032軸承 | 描述:12.2 kg,調心滾子軸承 | 
| SKF 21312CC軸承 | 描述:1.886 kg,調心滾子軸承 | 
MCGILL軸承推薦
| MCGILL BCCFE9/16S軸承 | 基本尺寸,內徑:0.00000mm,外徑:14.29000mm,厚度:953.00000mm。 | 
| MCGILL MR26SS+MI21軸承 | 基本尺寸,內徑:1.62500mm,外徑:2.18750mm,厚度:1.25000mm。 | 
| MCGILL MR24SS+MI19軸承 | 基本尺寸,內徑:1.50000mm,外徑:2.06250mm,厚度:1.25000mm。 | 
| MCGILL BCFE2-3/4SB軸承 | 基本尺寸,內徑:0.00000mm,外徑:69.85000mm,厚度:38.10000mm。 | 
| MCGILL MCFRE72SB軸承 | 基本尺寸,內徑:0.00000mm,外徑:72.00000mm,厚度:29.00000mm。 | 

 
	
 
                     
                     
 