NTN KRV16FXLLD0H軸承技術規格
| 類型 | 凸輪從動軸承 | 
| 材質 | 淬透鋼 | 
| 螺紋類型 | 公制 | 
| 保持架材質 | 無 | 
| 極限轉速-油潤滑 | 10000轉/分鐘 | 
| 極限轉速-脂潤滑 | 10000轉/分鐘 | 
| 滾子型式 | 圓柱型 | 
| 螺柱類型 | 公制 | 
| 軸承類型 | 滾針軸承 | 
| 外圈類型 | 圓柱型 | 
| 附件 | 雙面密封 | 
| 驅動裝置型式 | 六角頭 | 
| 結構 | 單列 | 
| 扭矩 | 3.0 N ·m | 
| 基本額定靜載荷 | 2100 lbf 9350 N | 
| 基本額定動載荷 | 1460 lbf 6500 N | 
| 軌道額定載荷 | 765 lbf 3400 N | 
| 重量 | 0.044 lb 0.020 kg | 
| 應用溫度范圍 | -40 to 250 oF -40 to 120 oC | 
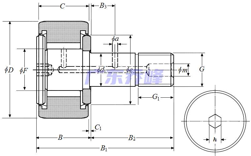
NTN KRV16FXLLD0H軸承尺寸規格
| 凸輪從動螺柱式滾輪軸承 - 圓柱內徑,KRV..LLH型 - 尺寸 | |
| G | M6x1 | 
| B1 | 1.1024 in 28.000 mm | 
| B2 | 0.6299 in 16.000 mm | 
| D | 0.6299 in 16.000 mm | 
| D公差 | 0/-0.0020 in 0/-0.050 mm | 
| B | 0.4724 in 12.000 mm | 
| C | 0.4331 in 11.000 mm | 
| d1 | 0.2362 in 6.000 mm | 
| d1公差 | 0/-0.0005 in 0/-0.012 mm | 
| G1 | 0.3150 in 8.000 mm | 
| e | 0.4724 in 12.000 mm | 
| F | 0.3150 in 8.000 mm | 
| C1 | 0.0236 in 0.600 mm | 
| h | 0.1181 in 3.000 mm | 
NTN KRV16FXLLD0H軸承尺寸圖
 
                        					NTN軸承推薦
| NTN 6303LLUA1C3軸承 | 描述:軸承型號:6303LLUA1C3,單列深溝球軸承 - 雙面密封(接觸式聚丙烯酸密封) | 
| NTN 6206W-7C3軸承 | 描述:軸承型號:6206W-7C3,單列深溝球軸承 - 開式 | 
| NTN 71908CV軸承 | 描述:軸承型號:71908CV,單列角接觸球軸承,高精度 | 
| NTN 369A/362軸承 | 描述:軸承型號:369A/362,圓錐滾子軸承 - 英制系列和J系列 | 
| NTN H715332/H715310軸承 | 描述:軸承型號:H715332/H715310,圓錐滾子軸承 - 英制系列和J系列 | 
| NTN SET 805軸承 | 描述:軸承型號:SET 805,圓錐滾子軸承 - 英制系列和J系列 | 
| NTN NU310E軸承 | 描述:軸承型號:NU310E,圓柱滾子軸承 -可分離型,普通內圈,外圈帶兩個加強筋 - NU型 | 
| NTN MU5211UX軸承 | 描述:軸承型號:MU5211UX,圓柱滾子軸承 - 不可分離型,內圈帶兩個加強筋,外圈帶一個加強筋,帶擋圈 | 
| NTN NUTW207軸承 | 描述:軸承型號:NUTW207,擋圈型滾輪軸承 - 帶內圈,NUTW型,球面外圈 | 
| NTN 29434軸承 | 描述:軸承型號:29434,推力調心滾子軸承 | 
進口軸承推薦
| ROLLWAY 21314GMEXC3W33軸承 | 描述:3.127 kg,調心滾子軸承 | 
| KAYDON KA065CPO軸承 | 描述:0.135 kg,單列深溝球軸承 | 
| NTN 6040M軸承 | 描述:14.4 kg,單列深溝球軸承 | 
| SNR 22311EAKW33C3軸承 | 描述:2.2 kg, | 
| NSK 6307VV軸承 | 描述:0.457 kg,單列深溝球軸承 | 
MCGILL軸承推薦
| MCGILL MR26N+MI21N軸承 | 基本尺寸,內徑:1.62500mm,外徑:2.18750mm,厚度:1.00000mm。 | 
| MCGILL GR16N+MI13N軸承 | 基本尺寸,內徑:1.00000mm,外徑:1.50000mm,厚度:0.75000mm。 | 
| MCGILL BCCFE3/4S軸承 | 基本尺寸,內徑:0.00000mm,外徑:19.05000mm,厚度:12.70000mm。 | 
| MCGILL GR32N+MI26N軸承 | 基本尺寸,內徑:2.00000mm,外徑:2.56250mm,厚度:1.00000mm。 | 
| MCGILL CCYR9-S軸承 | 基本尺寸,內徑:95.38000mm,外徑:228.60000mm,厚度:120.65000mm。 | 

 
	
 
                     
                     
 