NTN KRT90XLL軸承技術規格
| 類型 | 凸輪從動軸承 | 
| 材質 | 淬透鋼 | 
| 螺紋類型 | 公制 | 
| 保持架材質 | 壓制鋼 | 
| 極限轉速-油潤滑 | 5500轉/分鐘 | 
| 極限轉速-脂潤滑 | 4000轉/分鐘 | 
| 滾子型式 | 圓柱型 | 
| 螺柱類型 | 公制 | 
| 軸承類型 | 滾針軸承 | 
| 外圈類型 | 圓柱型 | 
| 附件 | 雙面密封 | 
| 驅動裝置型式 | 插入式 | 
| 結構 | 單列 | 
| 扭矩 | 360.0 N ·m | 
| 基本額定靜載荷 | 19900 lbf 88500 N | 
| 基本額定動載荷 | 10100 lbf 45000 N | 
| 軌道額定載荷 | 13300 lbf 59000 N | 
| 重量 | 4.299 lb 1.950 kg | 
| 應用溫度范圍 | -40 to 250 oF -40 to 120 oC | 
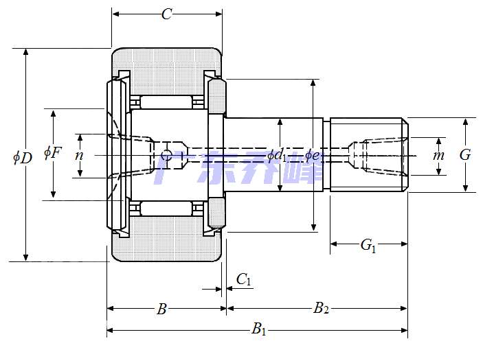
NTN KRT90XLL軸承尺寸規格
| 凸輪從動螺柱式滾輪軸承 - 圓柱內徑,KRT..LL型 - 尺寸 | |
| G | M30x1.5 | 
| B1 | 3.9370 in 100.000 mm | 
| B2 | 2.4803 in 63.000 mm | 
| D | 3.5433 in 90.000 mm | 
| D公差 | 0/-0.0020 in 0/-0.050 mm | 
| B | 1.4567 in 37.000 mm | 
| C | 1.3780 in 35.000 mm | 
| d1 | 1.1811 in 30.000 mm | 
| d1公差 | 0/-0.0008 in 0/-0.021 mm | 
| G1 | 1.2598 in 32.000 mm | 
| e | 2.0866 in 53.000 mm | 
| F | 1.4961 in 38.000 mm | 
| C1 | 0.0394 in 1.000 mm | 
| n | PT1/8 | 
| m | PT1/8 | 
| 注油嘴尺寸 | A-PT1/8 | 
NTN KRT90XLL軸承尺寸圖
 
                        					NTN軸承推薦
| NTN 110/1W軸承 | 描述:軸承型號:110/1W,單列深溝球軸承 - 開式 | 
| NTN 6012LLUNC3軸承 | 描述:軸承型號:6012LLUNC3,單列深溝球軸承 - 雙面密封(接觸式橡膠密封),帶止動環槽 | 
| NTN 6913LLBNRC3軸承 | 描述:軸承型號:6913LLBNRC3,單列深溝球軸承 - 雙面密封(非接觸式橡膠密封)帶止動環 | 
| NTN 6817ZZNC3軸承 | 描述:軸承型號:6817ZZNC3,單列深溝球軸承 - 雙面防塵蓋,帶止動環槽 | 
| NTN 6918LLU軸承 | 描述:軸承型號:6918LLU,單列深溝球軸承 - 雙面密封(接觸式橡膠密封) | 
| NTN UC216-302D1軸承 | 描述:軸承型號:UC216-302D1,帶緊定螺釘的外球面軸承,寬外圈 - 球面外圈 | 
| NTN E-4R6017軸承 | 描述:軸承型號:E-4R6017,四列圓柱滾子軸承帶實心滾子&機加工保持架 | 
| NTN M5207TL軸承 | 描述:軸承型號:M5207TL,帶保持架和滾子的外圈,兩個擋圈 | 
| NTN N2332軸承 | 描述:軸承型號:N2332,圓柱滾子軸承 -內圈帶兩個加強筋,可分離型,普通外圈 - N型 | 
| NTN HMK2616軸承 | 描述:軸承型號:HMK2616,沖壓外圈滾針軸承 - HK,HMK型 | 
進口軸承推薦
| SKF 23140CC/C4W513軸承 | 描述:41.26 kg,調心滾子軸承 | 
| SKF 23972CCK/C083W509軸承 | 描述:44.9 kg,調心滾子軸承 | 
| NTN 6006LLB/5K軸承 | 描述:0.119 kg,單列深溝球軸承 | 
| FAG 21318-E1-XL軸承 | 描述:6.26 kg,調心滾子軸承(X-life品質) | 
| NTN 6010DD軸承 | 描述:0.265 kg,單列深溝球軸承 | 
MCGILL軸承推薦
| MCGILL BCYR3-1/4S軸承 | 基本尺寸,內徑:25.40000mm,外徑:82.55000mm,厚度:44.45000mm。 | 
| MCGILL CCFH6SB軸承 | 基本尺寸,內徑:0.00000mm,外徑:152.40000mm,厚度:82.55000mm。 | 
| MCGILL BCF9/16SB軸承 | 基本尺寸,內徑:0.00000mm,外徑:14.29000mm,厚度:953.00000mm。 | 
| MCGILL CF1.3/4-SB軸承 | 基本尺寸,內徑:0.00000mm,外徑:44.45000mm,厚度:25.40000mm。 | 
| MCGILL BCCFE2SB軸承 | 基本尺寸,內徑:0.00000mm,外徑:50.80000mm,厚度:31.75000mm。 | 

 
	
 
                     
                     
 