NTN HSB020CDB/GNP4軸承代號說明
H
                                                S
                                                B
                                            0
                                            2
                                                0
                                            C
                                            D
                                                B
                                            /
                                                G
                                                N
                                            P
                                                4
                                            HSB:超高速角接觸球軸承.HSB型
                                
                0:尺寸系列:10系列
                                
                20:內徑:100 mm
                                
                C:接觸角 15o
                                
                DB:背對背配對, / \ 
                                
                /GN:正常預緊
                                
                P4:P4級精度
                                HSB:
超高速角接觸球軸承.HSB型
                    0:
尺寸系列:10系列
                    20:
內徑:100 mm
                    C:
接觸角 15o
                    DB:
背對背配對, / \ 
                    /GN:
正常預緊
                    P4:
P4級精度
                    NTN HSB020CDB/GNP4軸承技術規格
| 類型 | 角接觸球軸承 | 
| 內孔型式 | 圓柱孔 | 
| 材質 | 高碳鉻鋼 | 
| 保持架型式 | 玻璃纖維增強 | 
| 保持架材質 | 尼龍 | 
| 滾珠材質 | 鋼 | 
| 極限轉速-油潤滑 | 7600轉/分鐘 | 
| 極限轉速-脂潤滑 | 5700轉/分鐘 | 
| 精度 | ISO Class 4 | 
| 結構 | 雙列 | 
| 預緊力 | 一般水平 | 
| 基本額定靜載荷 | 15800 lbf 70500 N 70.50 kN | 
| 基本額定動載荷 | 16100 lbf 71500 N 71.50 kN | 
| 附件 | 開式 | 
| 重量 | 5.997 lb 2.720 kg | 
| 應用溫度范圍 | -40 to 250 oF -40 to 120 oC | 
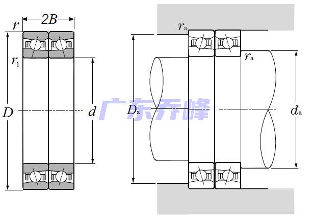
NTN HSB020CDB/GNP4軸承尺寸規格
| 超高速雙聯角接觸球軸承,背對背配對 - 尺寸 | |
| d | 3.9370 in 100.000 mm | 
| D | 5.9055 in 150.000 mm | 
| B | 0.9449 in 24.000 mm | 
| 2B | 1.8898 in 48.000 mm | 
| r | 0.0591 in 1.500 mm | 
| r1 | 0.0394 in 1.000 mm | 
| 接觸角 | 15 o | 
| da min | 4.2717 in 108.500 mm | 
| Da max | 5.5709 in 141.500 mm | 
| ras max | 0.0591 in 1.500 mm | 
NTN HSB020CDB/GNP4軸承尺寸圖
 
                        					NTN軸承推薦
| NTN 6005LLBN軸承 | 描述:軸承型號:6005LLBN,單列深溝球軸承 - 雙面密封(非接觸式橡膠密封),帶止動環槽 | 
| NTN 87008軸承 | 描述:軸承型號:87008,單列深溝球軸承 - 單面防塵蓋&單面密封(接觸式橡膠密封),87000系列 | 
| NTN 7016CV軸承 | 描述:軸承型號:7016CV,單列角接觸球軸承,高精度 | 
| NTN UCX09D1軸承 | 描述:軸承型號:UCX09D1,帶緊定螺釘的外球面軸承,寬外圈 - 球面外圈 | 
| NTN 480/472A軸承 | 描述:軸承型號:480/472A,圓錐滾子軸承 - 英制系列和J系列 | 
| NTN HM237523/HM237510軸承 | 描述:軸承型號:HM237523/HM237510,圓錐滾子軸承 - 英制系列和J系列 | 
| NTN 88931軸承 | 描述:軸承型號:88931,圓錐滾子軸承內圈 - 英制系列和J系列 | 
| NTN HM162635W軸承 | 描述:軸承型號:HM162635W,圓錐滾子軸承內圈 - 英制系列和J系列 | 
| NTN K15X19X10S軸承 | 描述:軸承型號:K15X19X10S,滾針和保持架組件 | 
| NTN NATV25X軸承 | 描述:軸承型號:NATV25X,擋圈型滾輪軸承 - 帶內圈,NATV型,圓柱內徑 | 
進口軸承推薦
| NTN 22340EMKD1軸承 | 描述:91.5 kg,調心滾子軸承 | 
| KAYDON KF047CP0軸承 | 描述:0.917 kg,單列深溝球軸承 | 
| RHP KLNJ3/4JW ABEC3軸承 | 描述:0.046 kg,單列深溝球軸承 | 
| NSK 6315M軸承 | 描述:3.77 kg,單列深溝球軸承 | 
| NTN 6913軸承 | 描述:0.223 kg,單列深溝球軸承 | 
MCGILL軸承推薦
| MCGILL CCYR3-1/4-S軸承 | 基本尺寸,內徑:25.40000mm,外徑:82.55000mm,厚度:44.45000mm。 | 
| MCGILL ROLLWAY-NU2310EMC3軸承 | 基本尺寸,內徑:50.00000mm,外徑:110.00000mm,厚度:40.00000mm。 | 
| MCGILL GR12N+MI9N軸承 | 基本尺寸,內徑:0.75000mm,外徑:1.25000mm,厚度:0.75000mm。 | 
| MCGILL FCFE2-1/2軸承 | 基本尺寸,內徑:0.00000mm,外徑:2.50000mm,厚度:1.68800mm。 | 
| MCGILL ROLLWAY-NUP212EMC3軸承 | 基本尺寸,內徑:60.00000mm,外徑:110.00000mm,厚度:22.00000mm。 | 

 
	
 
                     
                     
 