NTN DC211TTR2軸承技術規格
| 類型 | 重型盤式軸承 |
| 內孔型式 | 圓柱孔 |
| 外圈類型 | 圓柱型 |
| 材質 | 淬透鋼 |
| 保持架型式 | 壓制 |
| 保持架材質 | 鋼 |
| 滾珠材質 | 鋼 |
| 密封型式 | 接觸式 |
| 密封圈材質 | 丁腈橡膠 |
| 精度 | Class 0 |
| 結構 | 單列 |
| 潤滑方式 | 重新潤滑 |
| 徑向游隙 | CN |
| 基本額定靜載荷 | 6550 lbf 29200 N 29.20 kN |
| 基本額定動載荷 | 9800 lbf 43500 N 43.50 kN |
| 附件 | 雙面密封 |
| 重量 | 2.112 lb 0.958 kg |
| 應用溫度范圍 | -40 to 250 oF -40 to 120 oC |
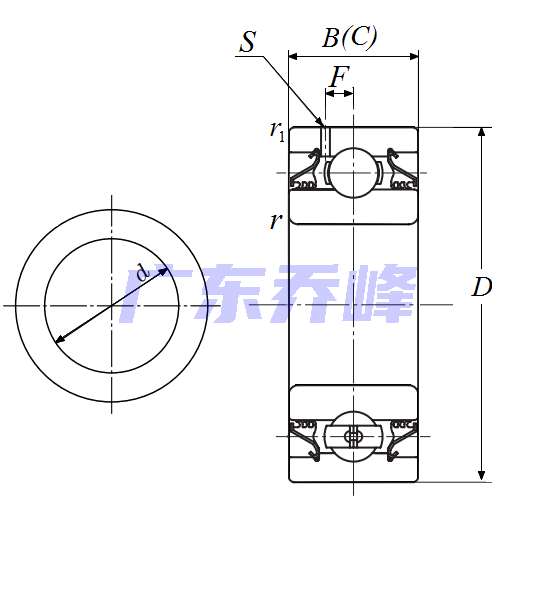
NTN DC211TTR2軸承尺寸規格
| 重型盤式軸承 - 圓柱內徑,7系列 - 尺寸 | |
| d | 2.1880 in 55.575 mm |
| D | 3.9370 in 100.000 mm |
| C | 1.3110 in 33.300 mm |
| B | 1.3110 in 33.300 mm |
| r | 0.0787 in 2.000 mm |
| F | 0.2992 in 7.600 mm |
| s | 0.0984 in 2.500 mm |
| 軸徑 | 2.1875 in 55.563 mm |
NTN DC211TTR2軸承尺寸圖
NTN軸承推薦
| NTN 6316LBNR軸承 | 描述:軸承型號:6316LBNR,單列深溝球軸承 - 單面密封(非接觸式橡膠密封)帶止動環 |
| NTN 6920LLUC3軸承 | 描述:軸承型號:6920LLUC3,單列深溝球軸承 - 雙面密封(接觸式橡膠密封) |
| NTN CH7021CVDUJ84軸承 | 描述:軸承型號:CH7021CVDUJ84,雙列混合陶瓷角接觸球軸承,高精度 - 萬能平頂軸承 |
| NTN 71917HV軸承 | 描述:軸承型號:71917HV,單列角接觸球軸承,高精度 |
| NTN MLCH7021CV軸承 | 描述:軸承型號:MLCH7021CV,高速,單列混合陶瓷角接觸球軸承,高精度 |
| NTN SUC207-22軸承 | 描述:軸承型號:SUC207-22,不銹鋼材質帶緊定螺釘的外球面軸承 - SUC/MUC |
| NTN NK1-25X60X20-2軸承 | 描述:軸承型號:NK1-25X60X20-2,機加工滾針軸承不帶內圈 - NK,NKS系列 |
| NTN 23218EAKD1軸承 | 描述:軸承型號:23218EAKW33,調心滾子軸承,帶圓錐孔&注油槽 |
| NTN 23984KD1C3軸承 | 描述:軸承型號:23984KW33C3,調心滾子軸承,帶圓錐孔&注油槽 |
| NTN UCP320-315D1軸承 | 描述:軸承型號:UCP320-315D1,軸承座,鑄造外殼,帶緊定螺釘,UCP/UCPX型 |
進口軸承推薦
| MRC 1912S軸承 | 描述:0.203 kg,單列深溝球軸承 |
| FAG 24136-BE-C3軸承 | 描述:33.7 kg,調心滾子軸承 |
| MRC 203FFS軸承 | 描述:0.09 kg,單列深溝球軸承 |
| SKF 7204CD/P4A軸承 | 描述:0.1 kg, 單列角接觸球軸承 |
| SKF 218-Z軸承 | 描述:2.35 kg,單列深溝球軸承 |
MCGILL軸承推薦
| MCGILL BCF11/16S軸承 | 基本尺寸,內徑:0.00000mm,外徑:17.46000mm,厚度:11.11000mm。 |
| MCGILL BCF1/2SB軸承 | 基本尺寸,內徑:0.00000mm,外徑:12.70000mm,厚度:953.00000mm。 |
| MCGILL ROLLWAY-NU311EM軸承 | 基本尺寸,內徑:55.00000mm,外徑:120.00000mm,厚度:29.00000mm。 |
| MCGILL ROLLWAY-NU319EMC3軸承 | 基本尺寸,內徑:95.00000mm,外徑:200.00000mm,厚度:45.00000mm。 |
| MCGILL MCFDE90X軸承 | 基本尺寸,內徑:0.00000mm,外徑:90.00000mm,厚度:35.00000mm。 |

