NTN CRV22XH軸承技術規格
| 類型 | 凸輪從動軸承 | 
| 材質 | 淬透鋼 | 
| 螺紋類型 | 英制 | 
| 保持架材質 | 無 | 
| 極限轉速-油潤滑 | 7000轉/分鐘 | 
| 極限轉速-脂潤滑 | 5400轉/分鐘 | 
| 滾子型式 | 圓柱型 | 
| 軸承類型 | 滾針軸承 | 
| 外圈類型 | 圓柱型 | 
| 附件 | 開式 | 
| 驅動裝置型式 | 六角頭 | 
| 結構 | 單列 | 
| 扭矩 | 5.5 lb ·ft24 N ·m | 
| 基本額定靜載荷 | 405 lbf 1810 N | 
| 基本額定動載荷 | 4000 lbf 17700 N | 
| 重量 | 0.364 lb 0.165 kg | 
| 應用溫度范圍 | -40 to 250 oF -40 to 120 oC | 
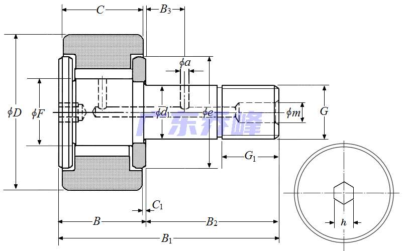
NTN CRV22XH軸承尺寸規格
| 凸輪從動螺柱式滾輪軸承 - 圓柱內徑,CRV..H型 - 尺寸 | |
| G | 1/2-20UNF | 
| B1 | 2.0630 in 52.400 mm | 
| B2 | 1.2520 in 31.800 mm | 
| D | 1.3750 in 34.925 mm | 
| D公差 | 0/-0.0020 in 0/-0.050 mm | 
| B | 0.8110 in 20.600 mm | 
| C | 0.7500 in 19.050 mm | 
| C公差 | 0/-0.0051 in 0/-0.130 mm | 
| d1 | 0.5000 in 12.700 mm | 
| d1公差 | 0.0010/0 in 0.025/0 mm | 
| G1 | 0.6260 in 15.900 mm | 
| e | 0.9843 in 25.000 mm | 
| B3 | 0.3126 in 7.940 mm | 
| a | 0.1181 in 3.000 mm | 
| F | 0.7272 in 18.470 mm | 
| C1 | 0.0315 in 0.800 mm | 
| h | 0.2500 in 6.350 mm | 
| m | 0.2362 in 6.000 mm | 
| 注油嘴尺寸 | NIP-B6 | 
NTN CRV22XH軸承尺寸圖
 
                        					NTN軸承推薦
| NTN 6219LLUNC3軸承 | 描述:軸承型號:6219LLUNC3,單列深溝球軸承 - 雙面密封(接觸式橡膠密封),帶止動環槽 | 
| NTN TS3-6217ZZC3/4M軸承 | 描述:軸承型號:TS3-6217ZZC3/4M,單列深溝球軸承 - 雙面防塵蓋 | 
| NTN ML7024HV軸承 | 描述:軸承型號:ML7024HV,高速單列角接觸球軸承 - 高精度 | 
| NTN MLCH71906CV軸承 | 描述:軸承型號:MLCH71906CV,高速,單列混合陶瓷角接觸球軸承,高精度 | 
| NTN 5S-2LA-HSFL017AD軸承 | 描述:軸承型號:5S-2LA-HSFL017AD,環保型角接觸球軸承 - HSFL型 | 
| NTN UEL312-206軸承 | 描述:軸承型號:UEL312-206,帶偏心鎖緊套的外球面軸承,寬外圈 - 球面外圈 | 
| NTN UELS210-115D1NR軸承 | 描述:軸承型號:UELS210-115D1NR,帶偏心鎖緊套的外球面軸承,寬外圈 - 圓柱內徑,帶止動環 | 
| NTN 6553軸承 | 描述:軸承型號:6553,圓錐滾子軸承內圈 - 英制系列和J系列 | 
| NTN M1308N軸承 | 描述:軸承型號:M1308N,帶擋邊圓柱滾子軸承 | 
| NTN 22320EMKD1C3軸承 | 描述:軸承型號:22320EMKW33C3,調心滾子軸承,帶圓錐孔&注油槽 | 
進口軸承推薦
| FAG 6310-2HRS-L237-C3軸承 | 描述:1.103 kg,單列深溝球軸承 | 
| FAG 6212-C3-J22R軸承 | 描述:0.783 kg,單列深溝球軸承 | 
| NTN 6203T2 X3 P6軸承 | 描述:0.062 kg,單列深溝球軸承 | 
| FAG 61917軸承 | 描述:0.55 kg,深溝球軸承 | 
| TORRINGTON 312K軸承 | 描述:1.85 kg,單列深溝球軸承 | 
MCGILL軸承推薦
| MCGILL MCYR40SX軸承 | 基本尺寸,內徑:40.00000mm,外徑:80.00000mm,厚度:35.00000mm。 | 
| MCGILL BCCFE2-1/2S軸承 | 基本尺寸,內徑:0.00000mm,外徑:63.50000mm,厚度:38.10000mm。 | 
| MCGILL MCYRR12SX軸承 | 基本尺寸,內徑:12.00000mm,外徑:32.00000mm,厚度:14.00000mm。 | 
| MCGILL BCCFE3S軸承 | 基本尺寸,內徑:0.00000mm,外徑:76.20000mm,厚度:44.45000mm。 | 
| MCGILL GR56+MI48軸承 | 基本尺寸,內徑:3.50000mm,外徑:4.50000mm,厚度:2.00000mm。 | 

 
	
 
                     
                     
 