NTN CR32XLLH軸承技術規格
| 類型 | 凸輪從動軸承 | 
| 材質 | 淬透鋼 | 
| 螺紋類型 | 英制 | 
| 保持架材質 | 穿孔鋼板 | 
| 極限轉速-油潤滑 | 6600轉/分鐘 | 
| 極限轉速-脂潤滑 | 5000轉/分鐘 | 
| 滾子型式 | 圓柱型 | 
| 軸承類型 | 滾針軸承 | 
| 外圈類型 | 圓柱型 | 
| 附件 | 雙面密封 | 
| 驅動裝置型式 | 六角頭 | 
| 結構 | 單列 | 
| 扭矩 | 34.0 lb ·ft150 N ·m | 
| 基本額定靜載荷 | 665 lbf 2950 N | 
| 基本額定動載荷 | 6500 lbf 28900 N | 
| 重量 | 1.113 lb 0.505 kg | 
| 應用溫度范圍 | -40 to 250 oF -40 to 120 oC | 
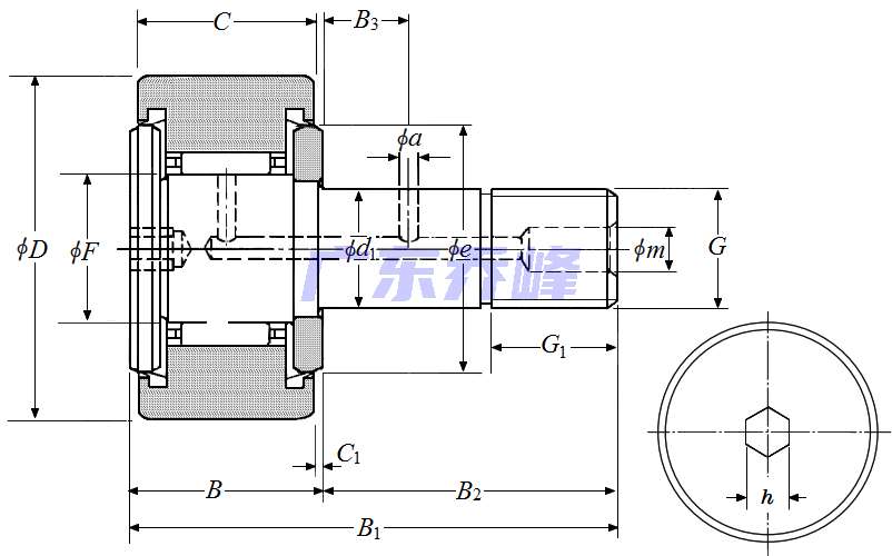
NTN CR32XLLH軸承尺寸規格
| 凸輪從動螺柱式滾輪軸承 - 圓柱內徑,CR..LLH型 - 尺寸 | |
| G | 7/8-14UNF | 
| B1 | 3.3110 in 84.100 mm | 
| B2 | 2.0000 in 50.800 mm | 
| D | 2.0000 in 50.800 mm | 
| D公差 | 0/-0.0020 in 0/-0.050 mm | 
| B | 1.3110 in 33.300 mm | 
| C | 1.2500 in 31.750 mm | 
| C公差 | 0/-0.0051 in 0/-0.130 mm | 
| d1 | 0.8750 in 22.225 mm | 
| d1公差 | 0.0010/0 in 0.025/0 mm | 
| G1 | 1.0000 in 25.400 mm | 
| e | 1.6535 in 42 mm | 
| B3 | 0.5000 in 12.700 mm | 
| a | 0.1969 in 5.000 mm | 
| F | 1.1811 in 30.000 mm | 
| C1 | 0.0315 in 0.800 mm | 
| h | 0.4375 in 11.113 mm | 
| m | 0.2362 in 6.000 mm | 
| 注油嘴尺寸 | NIP-B6 | 
NTN CR32XLLH軸承尺寸圖
 
                        					NTN軸承推薦
| NTN 63203LLB軸承 | 描述:軸承型號:63203LLB,單列深溝球軸承 - 雙面密封(非接觸式橡膠密封) | 
| NTN 6018LBN軸承 | 描述:軸承型號:6018LBN,單列深溝球軸承 - 單面密封(非接觸式橡膠密封)帶止動環槽 | 
| NTN 2TS2-6224L1BC4軸承 | 描述:軸承型號:2TS2-6224L1BC4,單列深溝球軸承 - 開式 | 
| NTN EC-6004LLB軸承 | 描述:軸承型號:EC-6004LLB,膨脹補償軸承 - 雙面密封(非接觸式橡膠密封) | 
| NTN 5309SC3軸承 | 描述:軸承型號:5309C3,雙列角接觸球軸承 - 開式,5200&5300系列 | 
| NTN 7311BL1GD2/GNP5軸承 | 描述:軸承型號:7311BL1GD2/GNP5,雙聯角接觸球軸承 - 萬能平頂軸承 | 
| NTN 46790/46720軸承 | 描述:軸承型號:46790/46720,圓錐滾子軸承 - 英制系列和J系列 | 
| NTN M5306TX軸承 | 描述:軸承型號:M5306TX,帶保持架和滾子的外圈,兩個擋圈 | 
| NTN MU1310X軸承 | 描述:軸承型號:MU1310X,內圈帶滾子帶兩個加強筋 | 
| NTN MR1308EAL軸承 | 描述:軸承型號:MR1308EAL,圓柱滾子軸承 -可分離型內圈帶一個加強筋,外圈帶兩個加強筋 | 
進口軸承推薦
| RHP 7214C TR DUM P3軸承 | 描述:2.2 kg, 單列角接觸球軸承 | 
| TIMKEN 24024CJW33W89C4軸承 | 描述:5.209 kg,調心滾子軸承 | 
| NACHI 6306 2NSE C4軸承 | 描述:0.353 kg,單列深溝球軸承 | 
| INA 6002Z軸承 | 描述:0.029 kg,單列深溝球軸承 | 
| NSK 22222EAE4C3軸承 | 描述:6.67 kg,調心滾子軸承 | 
MCGILL軸承推薦
| MCGILL MR32RSS+MI25軸承 | 基本尺寸,內徑:2.00000mm,外徑:2.56250mm,厚度:1.25000mm。 | 
| MCGILL BCF1/2SB軸承 | 基本尺寸,內徑:0.00000mm,外徑:12.70000mm,厚度:953.00000mm。 | 
| MCGILL MR116+MI96軸承 | 基本尺寸,內徑:7.25000mm,外徑:9.12500mm,厚度:3.00000mm。 | 
| MCGILL MCFRE26SX軸承 | 基本尺寸,內徑:0.00000mm,外徑:26.00000mm,厚度:12.00000mm。 | 
| MCGILL CF11/16S軸承 | 基本尺寸,內徑:0.00000mm,外徑:17.46000mm,厚度:11.11000mm。 | 

 
	
 
                     
                     
 