NTN C-SFCW2228-415N1軸承技術規格
| 類型 | 四螺栓圓形法蘭式軸承座 |
| 軸承類型 | 調心滾子軸承 |
| 鎖緊裝置 | 緊定襯套 |
| 密封圈材質 | 丁腈橡膠 |
| 軸承型號 | MX-W22228EALLKD1C3 |
| 軸承座型號 | SFC228N1 |
| 緊定襯套型號 | HA2328M1 |
| 殼體材質 | 球墨鑄鐵 |
| 殼體鑄造型式 | 一體成型 |
| 性能 | 重型 |
| 端蓋類型 | 開式 |
| 基本額定動載荷 | 205000 lbf 912000 N 912.00 kN |
| 基本額定靜載荷 | 227000 lbf 1010000 N 1010.00 kN |
| 極限轉速 | 1100轉/分鐘 |
| 應用溫度范圍 | -40 to 400 oF -40 to 200 oC |
| 潤滑方式 | 可再潤滑 |
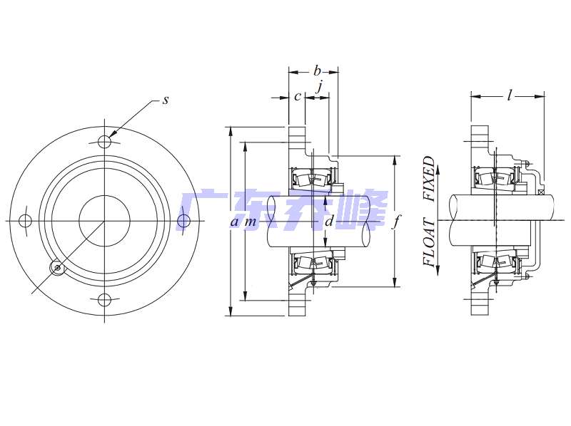
NTN C-SFCW2228-415N1軸承尺寸規格
| 密封球面法蘭式軸承座單元,鑄造防塵蓋,開式端蓋,SFCW系列 - 尺寸 | |
| d | 4.9375 in 125.413 mm |
| a | 17.7165 in 450.0 mm |
| b | 4.7244 in 120.0 mm |
| c | 1.7717 in 45.0 mm |
| m | 15.1575 in 385.0 mm |
| f | 12.1569 in 310.0 mm |
| j | 2.2047 in 56.0 mm |
| l | 6.8504 in 174.000 mm |
| s | 1.3780 in 35.0 mm |
| 注意 | 銷售圖紙反映的是不帶緊定襯套的尺寸,實際上是帶的,因此需要注意。如不能很好把握,可直接致電020-81178086咨詢我們。 |
NTN C-SFCW2228-415N1軸承尺寸圖
NTN C-SFCW2228-415N1軸承安裝指南
| 軸向位移 - Min. | 0.043 in |
| 軸向位移 - Max. | 0.055 in |
| 推薦的鎖緊螺母旋轉角度 | 210 o |
| 液壓 - Min. | 3300 lb/in2 |
| 液壓 - Max. | 4550 lb/in2 |
NTN C-SFCW2228-415N1軸承同尺寸型號
| SFCW2228-415N1 | 詳細尺寸,d:125.413mm,f:450.000mm,c:45.000mm,b:120.000mm,:385.000mm |
| C-SFCW2228-415N1 | 詳細尺寸,d:125.413mm,f:450.000mm,c:45.000mm,b:120.000mm,:385.000mm |
| 共計找到2條記錄 | |
NTN C-SFCW2228-415N1軸承相關配件/適用型號
| MX-W22228EALLKD1C3 | 詳細尺寸,d:140.000mm,dD:250.000mm,b:88.000mm,r:1.500mm |
NTN軸承推薦
| NTN 6010ZZNRC3軸承 | 描述:軸承型號:6010ZZNRC3,單列深溝球軸承 - 雙面防塵蓋帶止動環 |
| NTN 2TS2-6011LLBC3/EM軸承 | 描述:軸承型號:2TS2-6011LLBC3/EM,單列深溝球軸承 - 雙面密封(非接觸式橡膠密封) |
| NTN 6026LLUC3軸承 | 描述:軸承型號:6026LLUC3,單列深溝球軸承 - 雙面密封(接觸式橡膠密封) |
| NTN AC-6000軸承 | 描述:軸承型號:AC-6000,AC軸承 - 開式 |
| NTN 5210SW軸承 | 描述:軸承型號:5210W,雙列角接觸球軸承 - 開式,5200&5300系列 |
| NTN 7204DB軸承 | 描述:軸承型號:7204DB,雙聯角接觸球軸承 - 背對背配對 |
| NTN UC305-015軸承 | 描述:軸承型號:UC305-015,帶緊定螺釘的外球面軸承,寬外圈 - 球面外圈 |
| NTN 97900軸承 | 描述:軸承型號:97900,圓錐滾子軸承外圈 - 英制系列和J系列 |
| NTN MU1017X軸承 | 描述:軸承型號:MU1017X,內圈帶滾子帶兩個加強筋 |
| NTN NU334軸承 | 描述:軸承型號:NU334,圓柱滾子軸承 -可分離型,普通內圈,外圈帶兩個加強筋 - NU型 |
進口軸承推薦
| NSK 6310M軸承 | 描述:1.31 kg,單列深溝球軸承 |
| FAG 23028-E1A-XL-M軸承 | 描述:6.27 kg,調心滾子軸承(X-life品質) |
| SKF 6206NR軸承 | 描述:0.187 kg,單列深溝球軸承 |
| SKF 22312EK/VA751軸承 | 描述:2.7 kg,調心滾子軸承 |
| KOYO 6010ZZ CM軸承 | 描述:0.267 kg,單列深溝球軸承 |
MCGILL軸承推薦
| MCGILL ROLLWAY-E5318U軸承 | 基本尺寸,內徑:90.00000mm,外徑:190.00000mm,厚度:73.00000mm。 |
| MCGILL ROLLWAY-MUC130軸承 | 基本尺寸,內徑:150.00000mm,外徑:235.00000mm,厚度:38.00000mm。 |
| MCGILL MR80+MI64軸承 | 基本尺寸,內徑:5.00000mm,外徑:6.50000mm,厚度:2.25000mm。 |
| MCGILL CFE1-7/8-SB軸承 | 基本尺寸,內徑:0.00000mm,外徑:47.63000mm,厚度:25.40000mm。 |
| MCGILL CCFE1SB軸承 | 基本尺寸,內徑:0.00000mm,外徑:25.40000mm,厚度:15.88000mm。 |

