NTN BNT906DTUP軸承代號說明
B
                                                N
                                                T
                                            9
                                            0
                                                6
                                            D
                                                T
                                            U
                                                P
                                            BNT:超高速角接觸球軸承
                                
                9:尺寸系列:19系列
                                
                06:內徑:30 mm
                                
                DT:串聯配對, / / 
                                
                UP:超高精度
                                BNT:
超高速角接觸球軸承
                    9:
尺寸系列:19系列
                    06:
內徑:30 mm
                    DT:
串聯配對, / / 
                    UP:
超高精度
                    NTN BNT906DTUP軸承技術規格
| 類型 | 機床主軸軸承 | 
| 內孔型式 | 圓柱孔 | 
| 材質 | 高碳鉻鋼 | 
| 保持架型式 | 機加工 | 
| 保持架材質 | 酚醛樹脂 | 
| 滾珠材質 | 鋼 | 
| 極限轉速-油潤滑 | 24000轉/分鐘 | 
| 極限轉速-脂潤滑 | 19000轉/分鐘 | 
| 密封型式 | 無 | 
| 密封圈材質 | 無 | 
| 精度 | 特殊精度 | 
| 結構 | 雙列 | 
| 系數 | 10.4 | 
| 基本額定靜載荷 | 1840 lbf 8200 N 8.20 kN | 
| 基本額定動載荷 | 2320 lbf 10300 N 10.30 kN | 
| 附件 | 開式 | 
| 重量 | 0.214 lb 0.097 kg | 
| 應用溫度范圍 | -40 to 250 oF -40 to 120 oC | 
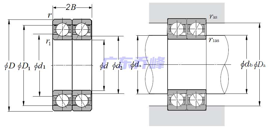
NTN BNT906DTUP軸承尺寸規格
| 電機和車床用雙列角接觸球軸承 - 串聯配對 - 尺寸 | |
| d | 1.1811 in 30.000 mm | 
| D | 1.8504 in 47.000 mm | 
| B | 0.3543 in 9.000 mm | 
| 2B | 0.7087 in 18.000 mm | 
| d1 | 1.3976 in 35.500 mm | 
| d2 | 1.3189 in 33.500 mm | 
| D1 | 1.6339 in 41.500 mm | 
| r | 0.0118 in 0.300 mm | 
| r1 | 0.0059 in 0.150 mm | 
| 接觸角 | 15 o | 
| da min | 1.2795 in 32.500 mm | 
| db min | 1.2402 in 31.500 mm | 
| Da max | 1.7520 in 44.500 mm | 
| ras max | 0.0118 in 0.300 mm | 
| r1as max | 0.0059 in 0.150 mm | 
NTN BNT906DTUP軸承尺寸圖
 
                        					NTN軸承推薦
| NTN 6300LLHNRC3軸承 | 描述:軸承型號:6300LLHNRC3,單列深溝球軸承 - 雙面密封(輕接觸橡膠密封)帶止動環 | 
| NTN BL308軸承 | 描述:軸承型號:BL308,單列深溝球軸承 - 開式 | 
| NTN TMB210軸承 | 描述:軸承型號:TMB210,單列深溝球軸承 - 開式 | 
| NTN 7026CVDUJ74軸承 | 描述:軸承型號:7026CVDUJ74,雙聯角接觸球軸承,高精度 - 萬能平頂軸承 | 
| NTN 7211CG1軸承 | 描述:軸承型號:7211CG1,單列角接觸球軸承,高精度 | 
| NTN ML7019CV軸承 | 描述:軸承型號:ML7019CV,高速單列角接觸球軸承 - 高精度 | 
| NTN 562026M/GNP5軸承 | 描述:軸承型號:562026M/GNP5,雙向推力角接觸球軸承 | 
| NTN HM127436/HM127415軸承 | 描述:軸承型號:HM127436/HM127415,圓錐滾子軸承 - 英制系列和J系列 | 
| NTN NU308E軸承 | 描述:軸承型號:NU308E,圓柱滾子軸承 -可分離型,普通內圈,外圈帶兩個加強筋 - NU型 | 
| NTN KJ32X39X20S軸承 | 描述:軸承型號:KJ32X39X20S,滾針和保持架組件 | 
進口軸承推薦
| TIMKEN 6224-2RS軸承 | 描述:5.15 kg,單列深溝球軸承 | 
| SNR 6200.ZZ軸承 | 描述:0.032 kg,單列深溝球軸承 | 
| RHP 7010E T DUL P3軸承 | 描述:0.5 kg, 單列角接觸球軸承 | 
| NSK 6209ZZ軸承 | 描述:0.413 kg,單列深溝球軸承 | 
| SKF 7018ACEGA/HCP4A軸承 | 描述:1.03 kg, 單列角接觸球軸承 | 
MCGILL軸承推薦
| MCGILL PCFE2-1/2軸承 | 基本尺寸,內徑:0.00000mm,外徑:2.50000mm,厚度:1.69000mm。 | 
| MCGILL BCFE1-3/4S軸承 | 基本尺寸,內徑:0.00000mm,外徑:44.45000mm,厚度:25.40000mm。 | 
| MCGILL CCFH1-SB軸承 | 基本尺寸,內徑:0.00000mm,外徑:25.40000mm,厚度:15.88000mm。 | 
| MCGILL CCYRD1-7/8軸承 | 基本尺寸,內徑:0.50000mm,外徑:1.87500mm,厚度:1.00000mm。 | 
| MCGILL ROLLWAY-N319EMC3軸承 | 基本尺寸,內徑:95.00000mm,外徑:200.00000mm,厚度:45.00000mm。 | 

 
	
 
                     
                     
 