NSK BSF1255DDUHP2B軸承代號說明
B
S
F
1
2
5
5
D
D
U
H
P
2
B
BSF:滾珠絲杠支撐用外圈一體式雙列角接觸球軸承單元,帶螺栓安裝孔
12:內徑:12mm
55:外徑:55mm
DDU:雙面帶三重接觸式橡膠密封
H:重預緊
P2B:專用精度,旋轉精度 ISO 2級,其他為特殊級
BSF:
滾珠絲杠支撐用外圈一體式雙列角接觸球軸承單元,帶螺栓安裝孔
12:
內徑:12mm
55:
外徑:55mm
DDU:
雙面帶三重接觸式橡膠密封
H:
重預緊
P2B:
專用精度,旋轉精度 ISO 2級,其他為特殊級
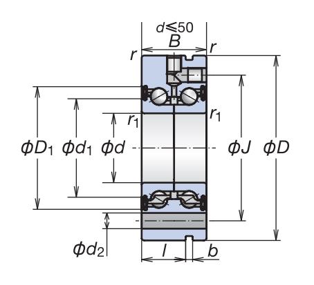
NSK BSF1255DDUHP2B軸承尺寸、參數與圖紙
| 軸承尺寸及安裝尺寸(mm) | ||
| 內徑 | d | 12 |
| 外徑 | D | 55 |
| 厚度 | 25 | |
| rmin | 0.6 | |
| r1 min | 0.3 | |
| d1 | 23.7 | |
| D1 | 32.7 | |
| J | 42 | |
| d2 | 6.8 | |
| l | 17 | |
| b | 3 | |
| t | 3x120° | |
| 基本額定載荷(kN) | ||
| 基本額定動載荷 | Ca | 18.5 |
| 基本額定靜載荷 | Coa | 24 |
| 極限軸向靜載荷 | 17.6 | |
| 允許軸向靜載荷 | 12.32 | |
| 極限轉速(min-1) | ||
| 脂潤滑 | 8000 | |
| 其他參數 | ||
| 預緊力(N) | 720 | |
| 軸向剛度(N/μm) | 375 | |
| 起動力矩(N·m) | 0.038 | |
| 螺母鎖緊力推薦值(N) | 4030 | |
| 形式 | II | |
| 螺栓公稱型號 | M6 | |
| 螺栓數量 | 3 | |
| 質量(kg)(參考值) | 0.37 | |
NSK軸承推薦
| NSK 51136X軸承 | NSK 51136X軸承,市場價:¥1400.07元,當前庫存16套,添加時間:2023-09-01 10:34:52 |
| NSK 85BER10HTYNV1VP4Y軸承 | NSK 85BER10HTYNV1VP4Y軸承,市場價:¥3454.50元,當前庫存22套,添加時間:2023-08-29 19:37:47 |
| NSK 380BTR10SDBLP4A P2 6軸承 | NSK 380BTR10SDBLP4A P2 6軸承,市場價:¥57927.49元,當前庫存2套,添加時間:2023-08-30 21:12:57 |
| NSK NN3017TBCC1P5軸承 | NSK NN3017TBCC1P5軸承,市場價:¥1176.00元,當前庫存68套,添加時間:2023-08-30 16:28:46 |
| NSK 7014CTRV1VSUMP3軸承 | NSK 7014CTRV1VSUMP3軸承,市場價:¥2956.86元,當前庫存2套,添加時間:2023-08-29 15:32:44 |
SKF軸承推薦
| SKF 25X38X7HMS5RG軸承 | 【適用于一般工業應用場合的徑向軸密封件】,內徑0.0000 mm,外徑0.0000 mm,厚度0.0000 mm |
| SKF SNL3040ATURT軸承 | 【用于安裝在緊定套上帶油封的軸承的大型 SNL 系列立式軸承座】,內徑0.0000 mm,外徑0.0000 mm,厚度0.0000 mm |
| SKF 70X95X10HMSA10V軸承 | 【適用于一般工業應用場合的徑向軸密封件】,內徑0.0000 mm,外徑0.0000 mm,厚度0.0000 mm |
| SKF 215-2Z軸承 | 【深溝球軸承】,內徑75.0000 mm,外徑130.0000 mm,厚度25.0000 mm |
| SKF S7206ACD/HCP4A軸承 | 【超精密角接觸球軸承】,內徑30.0000 mm,外徑62.0000 mm,厚度16.0000 mm |
INA軸承推薦
| INA RSTO50軸承 | INA RSTO50軸承,市場價:¥363.63元,當前庫存5套,添加時間:2023-08-25 11:09:12 |
| INA NKI75/35-XL-C3軸承 | INA NKI75/35-XL-C3軸承,市場價:¥371.00元,當前庫存100套,添加時間:2023-08-24 10:25:19 |
| INA RCJY50-XL-N軸承 | INA RCJY50-XL-N軸承,市場價:¥226.88元,當前庫存112套,添加時間:2023-08-25 21:28:36 |
| INA 81224-TV#O軸承 | INA 81224-TV#O軸承,市場價:¥1199.08元,當前庫存52套,添加時間:2023-08-23 14:32:27 |
| INA RSAO50-XL軸承 | INA RSAO50-XL軸承,市場價:¥907.91元,當前庫存6套,添加時間:2023-08-25 16:56:56 |

