IKO RNAST50R軸承代號說明
R
                                            N
                                                A
                                            S
                                                T
                                            5
                                                0
                                            R
                                            R:不帶內圈
                                
                NA:滾針軸承
                                
                ST:分離型滾子從動軸承(支承滾輪軸承)
                                
                50:內徑代號,配上內圈時參考內徑:50mm
                                
                R:球面外圈
                                R:
不帶內圈
                    NA:
滾針軸承
                    ST:
分離型滾子從動軸承(支承滾輪軸承)
                    50:
內徑代號,配上內圈時參考內徑:50mm
                    R:
球面外圈
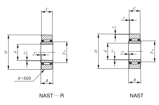
                    IKO RNAST50R軸承尺寸、參數與圖紙
| 基本尺寸 (mm) | |
| 內徑 d | 50 | 
| 外徑 D | 90 | 
| 厚度 C | 19.8 | 
| 內圈厚度 B | 20 | 
| 滾子下直徑 Fw | 60 | 
| rs min | 1.5 | 
| r1s min | 1 | 
| 相關型號 | |
| 適配內圈型號 | LRT506020S | 
| 無內圈基本代號 | RNAST50 | 
| 重量(g) | |
| 總重量 | 635 | 
| 無內圈重量 | 500 | 
| 內圈重量 | 135 | 
| 載荷(N) | |
| 動態基本額定載荷 | 38900 | 
| 靜態基本額定載荷 | 71700 | 
IKO RNAST50R軸承相關產品推薦
| 其他型號 | 市場價 | 喬峰價 | 庫存 | 
| IKO RNAST50軸承 | ¥79.3元 | - | 2 | 
 
                      	                      	 
                      						IKO軸承推薦
| IKO RNAF759530軸承 | 基本尺寸,內徑:75.00000mm,外徑:95.00000mm,厚度:30.00000mm。 | 
| IKO CR10VBUU軸承 | 基本尺寸,內徑:6.35000mm,外徑:15.87500mm,厚度:10.31900mm。 | 
| IKO CR22BUU軸承 | 基本尺寸,內徑:12.70000mm,外徑:34.92500mm,厚度:19.05000mm。 | 
| IKO TR587745軸承 | 基本尺寸,內徑:58.00000mm,外徑:77.00000mm,厚度:45.00000mm。 | 
| IKO TAF688235軸承 | 基本尺寸,內徑:68.00000mm,外徑:82.00000mm,厚度:35.00000mm。 | 
TIMKEN軸承推薦
| TIMKEN 29582/29522軸承 | TIMKEN 29582/29522軸承,市場價:¥569.10元,當前庫存23套,添加時間:2023-09-15 10:22:47 | 
| TIMKEN JH415647/JH415610軸承 | TIMKEN JH415647/JH415610軸承,市場價:¥756.00元,當前庫存2套,添加時間:2023-09-08 14:25:16 | 
| TIMKEN 02476/02419軸承 | TIMKEN 02476/02419軸承,市場價:¥1418.39元,當前庫存13套,添加時間:2023-09-14 21:37:20 | 
| TIMKEN 15120A/15250軸承 | TIMKEN 15120A/15250軸承,市場價:¥997.33元,當前庫存52套,添加時間:2023-09-14 21:34:17 | 
| TIMKEN 2777/2720軸承 | TIMKEN 2777/2720軸承,市場價:¥200.14元,當前庫存165套,添加時間:2023-09-14 22:09:45 | 
NSK軸承推薦
| NSK N1009BTKRCC1P4軸承 | NSK N1009BTKRCC1P4軸承,市場價:¥1003.64元,當前庫存11套,添加時間:2023-08-30 14:08:32 | 
| NSK NNU4980KE2CC1P5軸承 | NSK NNU4980KE2CC1P5軸承,市場價:¥33600.00元,當前庫存1套,添加時間:2023-08-30 17:04:26 | 
| NSK NN3017TBCC1P5軸承 | NSK NN3017TBCC1P5軸承,市場價:¥1176.00元,當前庫存68套,添加時間:2023-08-30 16:28:46 | 
| NSK NN3019TBKRE44CC0P4 Q軸承 | NSK NN3019TBKRE44CC0P4 Q軸承,市場價:¥1539.17元,當前庫存6套,添加時間:2023-08-30 16:31:23 | 
| NSK NN3944MBKRE4CC9P4 *6軸承 | NSK NN3944MBKRE4CC9P4 *6軸承,市場價:¥6197.89元,當前庫存1套,添加時間:2023-08-30 16:56:22 | 

 
	
 
                     
                     
  
  
  
 