IKO NUCF18BR軸承代號說明
N
                                                U
                                            C
                                                F
                                            1
                                                8
                                            B
                                            R
                                            NU:滿裝雙列圓柱滾子型
                                
                CF:凸輪從動軸承(螺栓型滾輪軸承)
                                
                18:螺柱直徑代號,參考螺柱直徑:18mm
                                
                B:螺柱頭部帶六角孔
                                
                R:球面外圈
                                NU:
滿裝雙列圓柱滾子型
                    CF:
凸輪從動軸承(螺栓型滾輪軸承)
                    18:
螺柱直徑代號,參考螺柱直徑:18mm
                    B:
螺柱頭部帶六角孔
                    R:
球面外圈
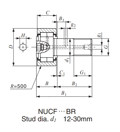
                    IKO NUCF18BR軸承尺寸、參數與圖紙
| 基本尺寸 (mm) | |
| 螺柱直徑 de | 18 | 
| 外徑 D | 40 | 
| 厚度 C | 20 | 
| G | M18X1.5 | 
| G1 | 19 | 
| Bmax | 21.6 | 
| B1 max | 58.1 | 
| B2 | 36.5 | 
| B3 | 8 | 
| C1 | 0.8 | 
| g1 | 6 | 
| g2 | 3 | 
| H | 8 | 
| 安裝尺寸 (mm) | |
| fmin. | 22 | 
| 重量(g) | |
| 244 | |
| 載荷(N) | |
| 動態基本額定載荷 | 25200 | 
| 靜態基本額定載荷 | 30900 | 
| 最大允許靜載荷 | 20300 | 
| 其他參數 | |
| 極限擰緊力矩 N·m | 86.2 | 
IKO NUCF18BR軸承相關產品推薦
| 其他型號 | 市場價 | 喬峰價 | 庫存 | 
| IKO NUCF18RQ軸承 | ¥214.45元 | - | 5 | 
| IKO NUCF18R軸承 | ¥254.23元 | - | 30 | 
 
                      	                      	 
                      	                      	 
                      						IKO軸承推薦
| IKO NAXI5040軸承 | 基本尺寸,內徑:50.00000mm,外徑:85.00000mm,厚度:40.00000mm。 | 
| IKO BRI162816軸承 | 基本尺寸,內徑:25.40000mm,外徑:44.45000mm,厚度:25.40000mm。 | 
| IKO TAFI304530軸承 | 基本尺寸,內徑:30.00000mm,外徑:45.00000mm,厚度:30.00000mm。 | 
| IKO BHAM1110軸承 | 基本尺寸,內徑:17.46200mm,外徑:23.81200mm,厚度:15.88000mm。 | 
| IKO TAM223016軸承 | 基本尺寸,內徑:22.00000mm,外徑:30.00000mm,厚度:16.00000mm。 | 
TIMKEN軸承推薦
| TIMKEN 78215C/78549D軸承 | TIMKEN 78215C/78549D軸承,市場價:¥4307.72元,當前庫存3套,添加時間:2023-09-15 17:11:54 | 
| TIMKEN 568/563-B軸承 | TIMKEN 568/563-B軸承,市場價:¥1361.76元,當前庫存2套,添加時間:2023-09-09 15:33:55 | 
| TIMKEN 15112/15243軸承 | TIMKEN 15112/15243軸承,市場價:¥213.47元,當前庫存76套,添加時間:2023-09-14 21:22:59 | 
| TIMKEN 64452A/64701X軸承 | TIMKEN 64452A/64701X軸承,市場價:¥5208.65元,當前庫存22套,添加時間:2023-09-15 12:06:14 | 
| TIMKEN HM803110-20024軸承 | TIMKEN HM803110-20024軸承,市場價:¥106.95元,當前庫存132套,添加時間:2023-09-13 16:40:36 | 
NSK軸承推薦
| NSK 60BAR10ETYNDBLP4A軸承 | NSK 60BAR10ETYNDBLP4A軸承,市場價:¥1344.00元,當前庫存2套,添加時間:2023-08-30 20:59:57 | 
| NSK NN3005MBKRCC0P5 Q軸承 | NSK NN3005MBKRCC0P5 Q軸承,市場價:¥519.48元,當前庫存6套,添加時間:2023-08-30 16:13:22 | 
| NSK 51107 5軸承 | NSK 51107 5軸承,市場價:¥28.63元,當前庫存46套,添加時間:2023-09-01 10:20:07 | 
| NSK 80BER10HTYNDBELP4Y軸承 | NSK 80BER10HTYNDBELP4Y軸承,市場價:¥4095.00元,當前庫存4套,添加時間:2023-08-29 19:26:06 | 
| NSK 7021ATYNDBLP5軸承 | NSK 7021ATYNDBLP5軸承,市場價:¥2415.00元,當前庫存2套,添加時間:2023-08-29 20:57:31 | 

 
	
 
                     
                     
  
 