IKO GE35EC-2RS軸承代號說明
G
                                                E
                                            3
                                                5
                                            E
                                            C
                                            -
                                                2
                                                R
                                                S
                                            GE:關節軸承
                                
                35:內徑代號,內徑:35mm
                                
                E:E系列,尺寸符合ISO標準
                                
                C:自潤滑免維護系列,PTFE內襯
                                
                -2RS:密封型,兩側有橡膠密封圈
                                GE:
關節軸承
                    35:
內徑代號,內徑:35mm
                    E:
E系列,尺寸符合ISO標準
                    C:
自潤滑免維護系列,PTFE內襯
                    -2RS:
密封型,兩側有橡膠密封圈
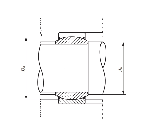
                    IKO GE35EC-2RS軸承尺寸、參數與圖紙
| 基本尺寸 (mm) | |
| 軸徑 d | 35 | 
| 內徑 d | 35 | 
| 外徑 D | 55 | 
| 厚度 B | 25 | 
| 厚度 C | 20 | 
| dk | 47 | 
| 安裝尺寸 (mm) | |
| r1s min | 0.6 | 
| r2s min | 1 | 
| 允許傾斜角度 α | - | 
| 允許傾斜角度 α1 | 4 | 
| da Min. | 39.5 | 
| da Max. | 39.5 | 
| Da Max. | 49.5 | 
| Da Min. | 48 | 
| 重量(kg) | |
| 0.258 | |
| 載荷(N) | |
| 動態基本額定載荷 | 92200 | 
| 靜態基本額定載荷 | 230000 | 
 
                      	                      	 
                      						IKO軸承推薦
| IKO CF30-1VB軸承 | 基本尺寸,內徑:30.00000mm,外徑:85.00000mm,厚度:35.00000mm。 | 
| IKO BA1412ZOH軸承 | 基本尺寸,內徑:22.22500mm,外徑:28.57500mm,厚度:19.05000mm。 | 
| IKO NAFW405534軸承 | 基本尺寸,內徑:40.00000mm,外徑:55.00000mm,厚度:34.00000mm。 | 
| IKO TAFI405520軸承 | 基本尺寸,內徑:40.00000mm,外徑:55.00000mm,厚度:20.00000mm。 | 
| IKO NAF406220軸承 | 基本尺寸,內徑:40.00000mm,外徑:62.00000mm,厚度:20.00000mm。 | 
TIMKEN軸承推薦
| TIMKEN 3476/3422軸承 | TIMKEN 3476/3422軸承,市場價:¥2352.89元,當前庫存59套,添加時間:2023-09-14 21:40:59 | 
| TIMKEN LL408010-B軸承 | TIMKEN LL408010-B軸承,市場價:¥5262.58元,當前庫存2套,添加時間:2023-09-14 13:23:36 | 
| TIMKEN 3582/3520軸承 | TIMKEN 3582/3520軸承,市場價:¥1652.06元,當前庫存22套,添加時間:2023-09-14 22:20:32 | 
| TIMKEN HH231637軸承 | TIMKEN HH231637軸承,市場價:¥10745.67元,當前庫存12套,添加時間:2023-09-12 16:45:48 | 
| TIMKEN A4049-20024軸承 | TIMKEN A4049-20024軸承,市場價:¥463.10元,當前庫存19套,添加時間:2023-09-11 20:22:05 | 
NSK軸承推薦
| NSK 7010A5TRV1VSULP3軸承 | NSK 7010A5TRV1VSULP3軸承,市場價:¥1833.51元,當前庫存2套,添加時間:2023-08-29 11:30:47 | 
| NSK 120TMP12軸承 | NSK 120TMP12軸承,市場價:¥2319.08元,當前庫存4套,添加時間:2023-09-01 11:21:48 | 
| NSK 7205ATYNDBLP5 Q軸承 | NSK 7205ATYNDBLP5 Q軸承,市場價:¥333.63元,當前庫存30套,添加時間:2023-08-28 21:26:48 | 
| NSK NNU4980KE2CC1P5軸承 | NSK NNU4980KE2CC1P5軸承,市場價:¥33600.00元,當前庫存1套,添加時間:2023-08-30 17:04:26 | 
| NSK 7018CTRDUMP3軸承 | NSK 7018CTRDUMP3軸承,市場價:¥5374.29元,當前庫存1套,添加時間:2023-08-29 20:20:44 | 

 
	
 
                     
                     
  
 