IKO CFS4V軸承代號說明
C
                                                F
                                            S
                                            4
                                            V
                                            CF:凸輪從動軸承(螺栓型滾輪軸承)
                                
                S:微型尺寸
                                
                4:螺柱直徑代號,參考螺柱直徑:4mm
                                
                V:滿裝滾子,不帶保持架型
                                CF:
凸輪從動軸承(螺栓型滾輪軸承)
                    S:
微型尺寸
                    4:
螺柱直徑代號,參考螺柱直徑:4mm
                    V:
滿裝滾子,不帶保持架型
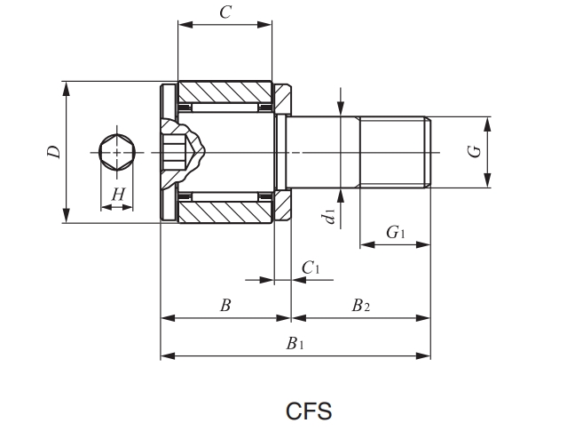
                    IKO CFS4V軸承尺寸、參數與圖紙
| 基本尺寸 (mm) | |
| 螺柱直徑 de | 4 | 
| 外徑 D | 8 | 
| 厚度 C | 5 | 
| G | M4X0.7 | 
| G1 | 4 | 
| B | 7 | 
| B1 | 15 | 
| B2 | 8 | 
| C1 | 1 | 
| H | 1.5 | 
| 安裝尺寸 (mm) | |
| fmin. | 7.7 | 
| 重量(g) | |
| 4 | |
| 載荷(N) | |
| 動態基本額定載荷 | 2370 | 
| 靜態基本額定載荷 | 3000 | 
| 最大允許靜載荷 | 919 | 
| 其他參數 | |
| 極限擰緊力矩 N·m | 77.7 | 
 
                      	                      	 
                      	                      	 
                      						IKO軸承推薦
| IKO RNAF223516軸承 | 基本尺寸,內徑:22.00000mm,外徑:35.00000mm,厚度:16.00000mm。 | 
| IKO TA1725Z軸承 | 基本尺寸,內徑:17.00000mm,外徑:24.00000mm,厚度:25.00000mm。 | 
| IKO CR30VBSR軸承 | 基本尺寸,內徑:19.05000mm,外徑:47.62500mm,厚度:25.40000mm。 | 
| IKO BA248ZOH軸承 | 基本尺寸,內徑:38.10000mm,外徑:47.62500mm,厚度:12.70000mm。 | 
| IKO NAF9012030軸承 | 基本尺寸,內徑:90.00000mm,外徑:120.00000mm,厚度:30.00000mm。 | 
TIMKEN軸承推薦
| TIMKEN 1780/1738X軸承 | TIMKEN 1780/1738X軸承,市場價:¥7714.45元,當前庫存60套,添加時間:2023-09-14 21:17:38 | 
| TIMKEN M235149/M235113CD軸承 | TIMKEN M235149/M235113CD軸承,市場價:¥6381.53元,當前庫存2套,添加時間:2023-09-15 19:30:35 | 
| TIMKEN 843V/832V軸承 | TIMKEN 843V/832V軸承,市場價:¥21362.32元,當前庫存4套,添加時間:2023-09-15 11:21:25 | 
| TIMKEN 598/592XE軸承 | TIMKEN 598/592XE軸承,市場價:¥518.03元,當前庫存32套,添加時間:2023-09-15 11:47:18 | 
| TIMKEN M244249A/M244210軸承 | TIMKEN M244249A/M244210軸承,市場價:¥25137.54元,當前庫存2套,添加時間:2023-09-15 13:16:27 | 
NSK軸承推薦
| NSK 7912A5TYNSULP4軸承 | NSK 7912A5TYNSULP4軸承,市場價:¥843.57元,當前庫存8套,添加時間:2023-08-29 14:42:56 | 
| NSK 7928CTRDFMP3軸承 | NSK 7928CTRDFMP3軸承,市場價:¥16348.87元,當前庫存8套,添加時間:2023-08-29 21:16:21 | 
| NSK 7900A5TYNSULP4 S軸承 | NSK 7900A5TYNSULP4 S軸承,市場價:¥208.75元,當前庫存168套,添加時間:2023-08-28 11:27:26 | 
| NSK 51214 5軸承 | NSK 51214 5軸承,市場價:¥129.07元,當前庫存50套,添加時間:2023-09-01 10:26:10 | 
| NSK 100BER10HTYNDBBP4+03 MTEX Q軸承 | NSK 100BER10HTYNDBBP4+03 MTEX Q軸承,市場價:¥15218.41元,當前庫存8套,添加時間:2023-08-29 20:52:47 | 

 
	
 
                     
                     
  
  
 