IKO CF8VBM軸承代號說明
C
                                                F
                                            8
                                            V
                                            B
                                            M
                                            CF:凸輪從動軸承(螺栓型滾輪軸承)
                                
                8:螺柱直徑代號,參考螺柱直徑:8mm
                                
                V:滿裝滾子,不帶保持架型
                                
                B:螺柱頭部帶六角孔
                                
                M:螺栓螺距由1.25變更為1,其他尺寸不變,目的是替代其他品牌產品
                                CF:
凸輪從動軸承(螺栓型滾輪軸承)
                    8:
螺柱直徑代號,參考螺柱直徑:8mm
                    V:
滿裝滾子,不帶保持架型
                    B:
螺柱頭部帶六角孔
                    M:
螺栓螺距由1.25變更為1,其他尺寸不變,目的是替代其他品牌產品
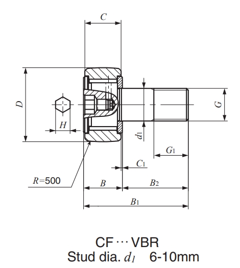
                    IKO CF8VBM軸承尺寸、參數與圖紙
| 基本尺寸 (mm) | |
| 螺柱直徑 d1 | 8 | 
| 外徑 D | 19 | 
| 厚度 C | 11 | 
| G | M8X1 | 
| G1 | 10 | 
| Bmax | 12.2 | 
| B1 max | 32.2 | 
| B2 | 20 | 
| B3 | - | 
| C1 | 0.6 | 
| g1 | - | 
| g2 | - | 
| H | 4 | 
| rs min | 0.3 | 
| 安裝尺寸 f | 13 | 
| 重量(g) | |
| 29 | |
| 載荷(N) | |
| 動態基本額定載荷 | 8170 | 
| 靜態基本額定載荷 | 11200 | 
| 最大允許靜載荷 | 4620 | 
| 其他參數 | |
| 極限擰緊力矩 N·m | 7.1 | 
IKO CF8VBM軸承相關產品推薦
| 其他型號 | 市場價 | 喬峰價 | 庫存 | 
| IKO CF8VB軸承 | ¥32.5元 | - | 10 | 
 
                      	                      	 
                      	                      	 
                      	                      	 
                      						IKO軸承推薦
| IKO NBXI1425Z軸承 | 基本尺寸,內徑:14.00000mm,外徑:30.00000mm,厚度:25.00000mm。 | 
| IKO CF18G軸承 | 基本尺寸,內徑:18.00000mm,外徑:40.00000mm,厚度:20.00000mm。 | 
| IKO AZ8015026軸承 | 基本尺寸,內徑:80.00000mm,外徑:150.00000mm,厚度:26.00000mm。 | 
| IKO GE12G軸承 | 基本尺寸,內徑:12.00000mm,外徑:26.00000mm,厚度:15.00000mm。 | 
| IKO NA6913UU軸承 | 基本尺寸,內徑:65.00000mm,外徑:90.00000mm,厚度:45.00000mm。 | 
TIMKEN軸承推薦
| TIMKEN 19138/19283X軸承 | TIMKEN 19138/19283X軸承,市場價:¥587.36元,當前庫存66套,添加時間:2023-09-14 22:01:37 | 
| TIMKEN 13621A軸承 | TIMKEN 13621A軸承,市場價:¥111.90元,當前庫存2套,添加時間:2023-09-13 09:55:46 | 
| TIMKEN HM220110軸承 | TIMKEN HM220110軸承,市場價:¥621.68元,當前庫存5套,添加時間:2023-09-13 16:32:59 | 
| TIMKEN 34492A-20024軸承 | TIMKEN 34492A-20024軸承,市場價:¥194.59元,當前庫存5套,添加時間:2023-09-13 11:15:42 | 
| TIMKEN 25530RB軸承 | TIMKEN 25530RB軸承,市場價:¥6223.18元,當前庫存1套,添加時間:2023-09-13 10:44:11 | 
NSK軸承推薦
| NSK BSF50115DDUHP2BDT BE4L 5軸承 | NSK BSF50115DDUHP2BDT BE4L 5軸承,市場價:¥13861.11元,當前庫存1套,添加時間:2023-08-31 15:01:38 | 
| NSK 7201CTRDUMP3軸承 | NSK 7201CTRDUMP3軸承,市場價:¥1232.45元,當前庫存7套,添加時間:2023-08-28 13:48:52 | 
| NSK 7911CTYNDBLP5軸承 | NSK 7911CTYNDBLP5軸承,市場價:¥819.29元,當前庫存180套,添加時間:2023-08-29 14:22:48 | 
| NSK 7932A5TYNSULP4 5軸承 | NSK 7932A5TYNSULP4 5軸承,市場價:¥2467.50元,當前庫存1套,添加時間:2023-08-29 21:26:10 | 
| NSK 55BER10HTYNDBBELP-02軸承 | NSK 55BER10HTYNDBBELP-02軸承,市場價:¥3365.25元,當前庫存2套,添加時間:2023-08-29 14:34:42 | 

 
	
 
                     
                     
  
 