IKO CF20-1G軸承代號說明
C
                                                F
                                            2
                                                0
                                            -
                                                1
                                            G
                                            CF:凸輪從動軸承(螺栓型滾輪軸承)
                                
                20:螺柱直徑代號,參考螺柱直徑:20mm
                                
                -1:區分規格代號,同系列有相同外徑或相同螺柱直徑的型號存在,以示區分
                                
                G:預填充潤滑脂,無潤滑孔
                                CF:
凸輪從動軸承(螺栓型滾輪軸承)
                    20:
螺柱直徑代號,參考螺柱直徑:20mm
                    -1:
區分規格代號,同系列有相同外徑或相同螺柱直徑的型號存在,以示區分
                    G:
預填充潤滑脂,無潤滑孔
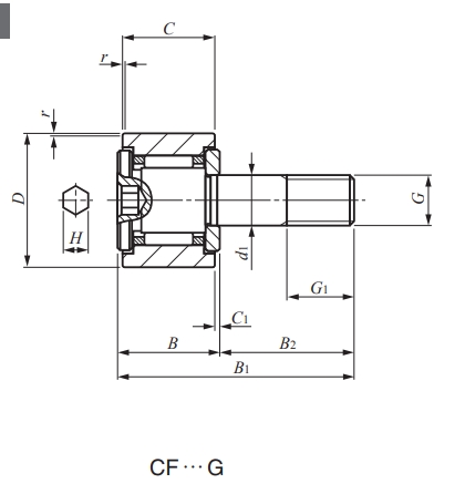
                    IKO CF20-1G軸承尺寸、參數與圖紙
| 基本尺寸 (mm) | |
| 螺柱直徑 de | 20 | 
| 外徑 D | 47 | 
| 厚度 C | 24 | 
| G | M20X1.5 | 
| G1 | 21 | 
| Bmax | 25.6 | 
| B1 max | 66.1 | 
| B2 | 40.5 | 
| C1 | 0.8 | 
| H | 8 | 
| rs min | 1 | 
| 安裝尺寸 (mm) | |
| fmin. | 34 | 
| 重量(g) | |
| 400 | |
| 載荷(N) | |
| 動態基本額定載荷 | 20700 | 
| 靜態基本額定載荷 | 34600 | 
| 最大允許靜載荷 | 34600 | 
| 其他參數 | |
| 極限擰緊力矩 N·m | 125 | 
 
                      	                      	 
                      						IKO軸承推薦
| IKO TAMW5550軸承 | 基本尺寸,內徑:55.00000mm,外徑:67.00000mm,厚度:50.00000mm。 | 
| IKO RNA4826軸承 | 基本尺寸,內徑:145.00000mm,外徑:165.00000mm,厚度:35.00000mm。 | 
| IKO RNAFW506540軸承 | 基本尺寸,內徑:50.00000mm,外徑:65.00000mm,厚度:40.00000mm。 | 
| IKO GE140GS-2RS軸承 | 基本尺寸,內徑:140.00000mm,外徑:230.00000mm,厚度:130.00000mm。 | 
| IKO YB34/SL3軸承 | 基本尺寸,內徑:4.76200mm,外徑:8.73100mm,厚度:6.35000mm。 | 
TIMKEN軸承推薦
| TIMKEN NA659-99401軸承 | TIMKEN NA659-99401軸承,市場價:¥2972.97元,當前庫存1套,添加時間:2023-09-11 11:05:37 | 
| TIMKEN 755/753軸承 | TIMKEN 755/753軸承,市場價:¥756.00元,當前庫存28套,添加時間:2023-09-15 11:21:12 | 
| TIMKEN A4049/A4138D軸承 | TIMKEN A4049/A4138D軸承,市場價:¥577.50元,當前庫存2套,添加時間:2023-09-15 17:20:34 | 
| TIMKEN HM127440-90332軸承 | TIMKEN HM127440-90332軸承,市場價:¥13295.13元,當前庫存1套,添加時間:2023-09-12 17:00:45 | 
| TIMKEN 773DC軸承 | TIMKEN 773DC軸承,市場價:¥10124.36元,當前庫存2套,添加時間:2023-09-14 17:34:06 | 
NSK軸承推薦
| NSK NN3008MBKRCC1P4 Q軸承 | NSK NN3008MBKRCC1P4 Q軸承,市場價:¥1029.00元,當前庫存2套,添加時間:2023-08-30 16:18:05 | 
| NSK 100BNR10XTDBBP4+3K06軸承 | NSK 100BNR10XTDBBP4+3K06軸承,市場價:¥23625.00元,當前庫存8套,添加時間:2023-08-29 20:51:33 | 
| NSK 511/670XMP4 P3 6軸承 | NSK 511/670XMP4 P3 6軸承,市場價:¥46387.60元,當前庫存2套,添加時間:2023-09-01 10:40:46 | 
| NSK 7908A5TRSUMP3軸承 | NSK 7908A5TRSUMP3軸承,市場價:¥1151.62元,當前庫存9套,添加時間:2023-08-29 10:38:14 | 
| NSK NNU4932MBKRE2CC1P4 *6軸承 | NSK NNU4932MBKRE2CC1P4 *6軸承,市場價:¥3654.97元,當前庫存28套,添加時間:2023-08-30 16:50:39 | 

 
	
 
                     
                     
 