NTN ASPF208軸承技術規格
| 類型 | 四螺栓法蘭式軸承座 |
| 軸承類型 | 滾珠軸承 |
| 鎖緊裝置 | 緊定螺釘 |
| 密封型式 | 接觸式 |
| 密封圈材質 | 丁腈橡膠 |
| 軸承型號 | AS208 |
| 軸承座型號 | PF208 |
| 殼體材質 | 鋼 |
| 殼體鑄造型式 | 兩片接合式 |
| 注油孔數 | 4 |
| 端蓋類型 | 開式 |
| 性能 | 輕型 |
| 基本額定動載荷 | 6550 lbf 29100 N 29.10 kN |
| 基本額定靜載荷 | 4000 lbf 17800 N 17.80 kN |
| 極限轉速 | 3700轉/分鐘 |
| 重量 | 2.000 lb 0.900 kg |
| 應用溫度范圍 | -40 to 250 oF -40 to 120 oC |
| 潤滑方式 | 不可再潤滑 |
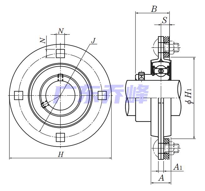
NTN ASPF208軸承尺寸規格
| 四螺栓圓形法蘭式軸承座,沖壓鋼外殼,帶緊定螺釘,ASPF型 - 尺寸 | |
| d | 1.5748 in 40.000 mm |
| H | 5.8125 in 148.0 mm |
| J | 4.6875 in 119.0 mm |
| A | 0.8125 in 21.0 mm |
| A1 | 0.2680 in 6.8 mm |
| N | 0.5312 in 13.5 mm |
| B | 1.4961 in 38.000 mm |
| S | 0.3543 in 9.000 mm |
| H1 | 3.5781 in 91.0 mm |
NTN ASPF208軸承尺寸圖
NTN ASPF208軸承同尺寸型號
| JELPF208 | 詳細尺寸,d:40.000mm,c:6.800mm,b:21.000mm,j:119.000mm,r:148.000mm |
| AELPF208 | 詳細尺寸,d:40.000mm,c:6.800mm,b:21.000mm,j:119.000mm,r:148.000mm |
| ASPF208 | 詳細尺寸,d:40.000mm,c:6.800mm,b:21.000mm,j:119.000mm,r:148.000mm |
| 共計找到3條記錄 | |
NTN ASPF208軸承相關配件/適用型號
| AS208 | 詳細尺寸,d:40.000mm,dD:80.000mm,c:18.000mm,b:38.000mm,r:1.500mm |
NTN ASPF208軸承在售型號
| 在售型號 | 庫存數量 | 市場價 |
| ASPF208-108 | 4524 | 73.26 |
| ASPF208 | 2707 | 77.55 |
| 注:可直接聯系銷售人員了解詳情。 | ||
NTN軸承推薦
| NTN 7022UC軸承 | 描述:軸承型號:7022UC,單列角接觸球軸承 - Ultage系列 |
| NTN 7417BG軸承 | 描述:軸承型號:7417BG,單列角接觸球軸承 - 開式 |
| NTN 663/653軸承 | 描述:軸承型號:663/653,圓錐滾子軸承 - 英制系列和J系列 |
| NTN L713049軸承 | 描述:軸承型號:L713049,圓錐滾子軸承內圈 - 英制系列和J系列 |
| NTN HM266449軸承 | 描述:軸承型號:HM266449,圓錐滾子軸承內圈 - 英制系列和J系列 |
| NTN M1926EAHL軸承 | 描述:軸承型號:M1926EAHL,帶保持架和滾子的外圈,外圈上帶兩個加強筋和盲銷孔 |
| NTN 22215EMD1軸承 | 描述:軸承型號:22215EMW33,調心滾子軸承 - 圓柱孔&注油槽,222系列 |
| NTN 22209EAKB33C3H2000B軸承 | 描述:軸承型號:22209EAKB33C3H2000B,調心滾子軸承 - 圓錐孔 |
| NTN 22224EMKD1軸承 | 描述:軸承型號:22224EMKW33,調心滾子軸承,帶圓錐孔&注油槽 |
| NTN CM-UKFL316D1 (when used with HE2316X)軸承 | 描述:軸承型號:CM-UKFL316D1(配合軸承:HE2316X),雙螺栓菱形法蘭式軸承座單元,鑄造外殼,帶緊定襯套,鑄造防塵蓋,封閉端蓋,UKFL型 |
進口軸承推薦
| FAG 24136-E1-C4軸承 | 描述:33.7 kg,調心滾子軸承(X-life品質) |
| NTN 6905ZZ軸承 | 描述:0.043 kg,單列深溝球軸承 |
| FAG 6000-B-2BRS-L278軸承 | 描述:0.018 kg,單列深溝球軸承 |
| SKF 22234CC/C403W33軸承 | 描述:27 kg,調心滾子軸承 |
| FAFNIR 201KLL軸承 | 描述:0.041 kg,單列深溝球軸承 |
MCGILL軸承推薦
| MCGILL GR28+MI23軸承 | 基本尺寸,內徑:1.75000mm,外徑:2.31250mm,厚度:1.25000mm。 |
| MCGILL ROLLWAY-N311EM軸承 | 基本尺寸,內徑:55.00000mm,外徑:120.00000mm,厚度:29.00000mm。 |
| MCGILL MCF35SB軸承 | 基本尺寸,內徑:0.00000mm,外徑:35.00000mm,厚度:18.00000mm。 |
| MCGILL MCFR-13-SB-ZEB軸承 | 基本尺寸,內徑:0.00000mm,外徑:13.00000mm,厚度:9.00000mm。 |
| MCGILL MCYR25SX軸承 | 基本尺寸,內徑:25.00000mm,外徑:52.00000mm,厚度:24.00000mm。 |

