
即使在正常條件下運行的軸承中,滾道和滾動元件的表面也會不斷受到重復壓縮應力的影響,從而導致這些表面剝落。這種剝落是由于材料疲勞,最終導致軸承失效。軸承的有效壽命通常定義為在滾道表面或滾動元件表面發生剝落之前,軸承可經歷的總轉數。
滾針軸承有多種尺寸可供選擇。選擇一個特定的軸承需要對不同軸承的結構和特性及其正確應用有透徹的了解。如果不仔細選擇和正確使用,任何軸承,無論制造得多么好,都不會充分發揮其潛力。在選擇軸承時,考慮以下幾點。
1) 將應用于軸承的載荷大小、方向和類型;
(2) 旋轉的速度和類型(旋轉內圈、旋轉外圈)以及在垂直或水平軸上的應用;
(3) 所需軸承壽命和最大允許載荷;
(4) 軸承周圍的環境溫度條件;
(5) 所需精度;
(6) 摩擦和噪音水平;
(7) 潤滑和密封裝置;
(8) 軸承的安裝和拆卸;
(9) 軸和殼體的材料和精加工精度;
(10) 可用于軸承安裝的空間。
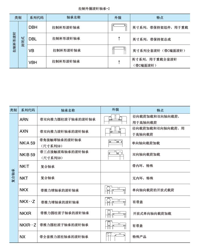
各種系列滾針軸承的特點、序列號和軸承名稱:

機加工環形滾針軸承

拉制外圈滾針軸承-1

復合軸承(帶推力球軸承的滾針軸承/帶推力圓柱滾子軸承的滾針軸承)(帶角接觸球軸承的滾針軸承/帶三點接觸球軸承的滾針軸承)
拉制外圈滾針軸承-2


